Что такое электроподжиг
Что такое механический электроподжиг? Для воспламенения газовоздушной смеси на выходе из конфорки требуется локальный источник высокой температуры, превышающей точку самовоспламенения углеводородного газа. В этом качестве удобно использовать электрическую дугу, возникающую при высоковольтном пробое. После загорания газовой струи температурный режим стабилизируется, а надобность в дополнительном источнике энергии отпадает. Поэтому высоковольтный разряд происходит в течение нескольких мгновений.
Упрощенно принцип действия такого устройства можно описать следующим образом:
- при замыкании цепи подается напряжение на конденсатор, который начинает заряжаться до определенного уровня;
- после накопления необходимой энергии поступает управляющий сигнал на тиристор, направляющий ток на разрядное устройство;
- оно инициирует резкий скачок напряжения на специальном электроде, сопровождаемый дуговым разрядом в непосредственной близости от конфорки, после чего загорается газ.
Принцип действия электроподжига
Надо знать! Короткого времени проскока искры бывает достаточно для запуска процесса горения, при этом расход электроэнергии остается минимальным.
Отдельностоящая газовая плита
Ширина газовой плиты
Ширина газовой плиты находится в пределах 50-90 сантиметров. Безусловно, для стандартной кухни-маломерки лучше задуматься о покупке газовой плиты, которая отличается компактными размерами – например, газовой плиты шириной 50 см. Плита газовая 50Х50 см является одним из наиболее компактных вариантов, подходя для маленьких комнат. Газовая плита 50х50 имеет один недостаток – большая посуда на конфорках может мешать друг другу. Той же проблемой характеризуются и газовая плита 45 см и узкие газовые плиты. Газовые плиты 60X60 см позволяют немного исправить эту проблему, но требуют больше места. Размеры газовых плит должны подбираться с учетом комнаты. Также определяются порой габариты газовых плит с учетом собственных представлений про оптимальный интерьер в помещении. В использовании более широкие модели оказываются более удобными, поскольку возможно нахождение на всех конфорках больших сковородок и кастрюль.
Высота газовой плиты
По своей высоте отдельностоящие плиты могут составлять обычно 85 сантиметров, что позволяет унифицировать плиту с прочей кухонной мебелью. Чтобы обеспечить более точное выравнивание поверхности плиты с кухонными столами, с учетом возможных неровностей пола, оптимальным становится покупка газовых плит с регулируемыми опорами. Стандартный диапазон для регулируемых размеров обычно равен порядка 5 сантиметров.
Глубина газовой плиты
Для глубины плит размер составляет от 50 до 60 см. При этом наиболее распространенным является унифицированный размер – плита газовая 60 см. Отлично вписывается данная плита в кухонную мебель, что позволяет создать ощущение единого целого.
Безопасность
Выбираем безопасную газовую плиту
Так как газовая плита для кухни пожароопасная техника советуем выбрать модель с системой безопасности:
- Газ-контроль. В случае если пламя не появилось или внезапно погасло, система перекрывает газ. И это защищает от его утечки. Лучше, когда газ-контроль и на рабочей поверхности, и на духовом шкафу;
- Электроподжиг. Разжигать пламя спичками или зажигалкой опасно не только ребёнку, но и взрослому. Можно просто быть один раз неаккуратным и устроить пожар. Спец. устройство для розжига даст пламя и защитит вас. Реализовано оно может быть в виде кнопки на панели или же это может быть автоматический поджиг, когда пламя появляется от поворота рукоятки;
- Стекло на духовке. Лучше, когда шкаф оборудован несколькими стёклами, тогда вы не обожжётесь об его поверхность во время приготовления;
- Детская защита. Функция запрещает включение плиты или открытие духовки во время работы, что идеально, когда дома есть дети;
- Таймер. Напоминает о том, что еда готова, а также отключает плиту в назначенный час.
И, несмотря на все умные функции, за своей безопасностью стоит следить и самому. А делать это просто – соблюдайте несколько правил:
- Во время готовки включайте вытяжку, а если её нет – откройте окно;
- После приготовления проветривайте кухню;
- Желательно, чтобы плита не работала без перерыва больше 2 ч.;
- Если такой необходимости нет, то не запускайте сразу все конфорки и духовку;
- Газ сгорает лучше, если расстояние от конфорки до дна посуды больше;
- Следите за цветом пламени. Синий прозрачный цвет говорит о том, что всё хорошо. Наличие красных, оранжевых оттенков – признак того, что сгорание происходит не до конца. При появлении копоти стоит обратиться в газовую службу.
Конструкция газовых плит
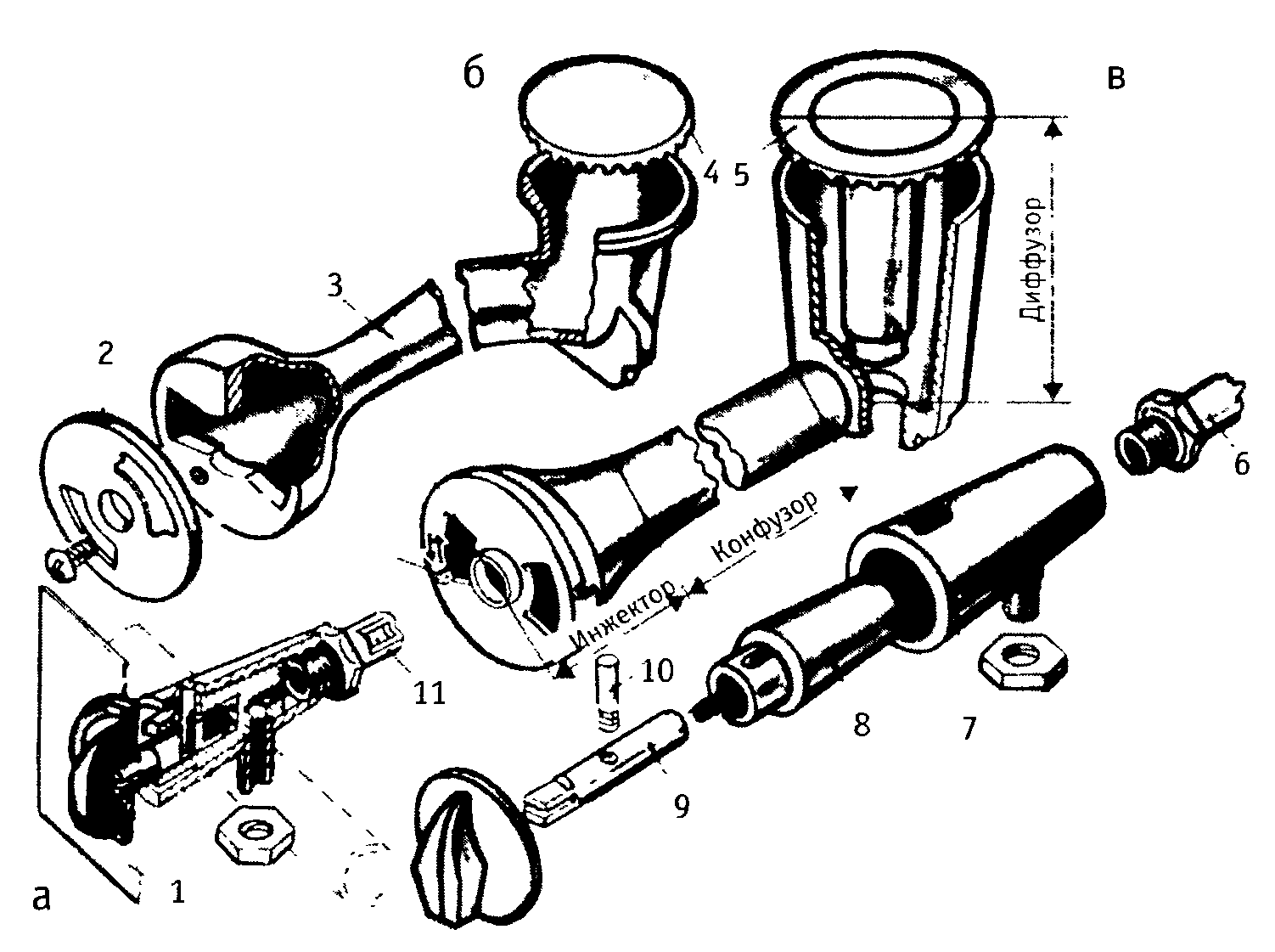
Выпускаемые нашей промышленностью газовые плиты предназначены для работы на природном и сжиженном газе. Установленный срок службы плиты по ГОСТ Р 50696-94 не менее 14 лет. В различных ведомствах этот срок продлен до 20—25 лет. Фактически же плита служит до прогара духовки (рис. 1-10-7).

Рис. 1-10-7. Части газового тракта газовых плит прошлых лет выпуска: а — пробковый кран, б, в — горизонтальные горелки;
1 — щиток; 2 — регулятор первичного воздуха; 3 — корпус горелки; 4 — колпачок; 5 — насадка; 6 — газопровод; 7 — корпус горелки; 8 — пробка; 9 — стержень; 10 — стопорный винт; 11 — сопло горизонтальное
В табл. 1.10.7 в графе «тип» первая цифра, следующая за буквой, означает количество горелок стола. Так, в плите типа П4/1 горелок стола 4, а конфорок всего 2, ибо они чугунные литые и прикрывают сразу две горелки. В то же время плита ПБ-4 имеет при четырех горелках 4 конфорки. Здесь стол — сплошной чугунный с отверстиями, на которые и накладываются кольцеобразные чугунные конфорки. Некоторые из этих плит оснащаются приставными боковыми полочками на уровне стола, что требует большей площади для установки. При минимальном месте полочки снимают, и сразу длина, например, плиты ПБ-4 сократится с 940 мм до 560 мм. Табличку с краткими техническими данными плиты прикрепляют к ее корпусу сбоку или с тыльной стороны. На табличке указывают завод-изготовитель, год выпуска, номинальное рабочее давление, теплоту сгорания газа и т.д. Например: тип ПГ 4/1-1 ГОСТ 10798-64, П = 130 мм вод. ст. Q = 8000 ккал/м3, 1964 г., «Газоаппарат рабочее давление, теплоту сгорания газа и т. д.», Москва.
Таблица 1.10.7
| Тип | Тепловая мощность горелки, ккал/ч | Присоед. резьба, трубная цилиндр., дюймы | Габариты, мм | Вес, кг | Изготовитель | |||
| конфорки стола | духовки | высота | длина | ширина | ||||
| П4/1 | 1700 | 3720 | 1/2 | 850 | 730 | 620 | 62 | «Газоаппарат», Москва |
| П4/1м | 1700 | 3700 | 3/4 | 830 | 930 | 550 | 48 | «Газоаппарат», Петербург |
| П4/1 | 1700 | 3700 | 1/2 | 800 | 930 | 580 | 46 | «Газоаппарат», Львов |
| П2/1 | 1700 | 1800 | 1/2 | 830 | 550 | 315 | 30 | «Газоаппарат», Петербург |
| ПГ-2А | 1700 | — | 1/2 | 810 | 555 | 340 | 20 | «Газоаппарат», Москва |
| П2/1ВМ | 1700 | 2040 | 1/2 | 800 | 620 | 403 | 34 | Волгоград |
| ПБ-4 | 1700 | 3700 | 1/2, 3/4 | 810 | 940 | 560 | «Газоаппарат», Москва |
Большинство плит старых типов демонтировано по сроку службы и по мелким дефектам. Эти дефекты вполне устранимы даже собственными силами, но плиты отправили в металлолом. Плиты продолжают менять и сейчас. Как эти снятые плиты самостоятельно отремонтировать и использовать на садовых участках, в сельских усадьбах, рассмотрим ниже.
Решетки столов плит 80-х годов позволяют устойчиво ставить на горелки посуду с диаметром дна не менее 60 мм. При этом подсос воздуха в горелку будет всегда обеспечен
Устройство и принцип работы
Конструкция любой газовой плиты мало отличается друг от друга, за исключением некоторых индивидуальных дополнений:
- Корпус — он выполнен из эмалированной стали, имеет довольно жесткую конструкцию.
- Рабочая поверхность — покрыта жаропрочной эмалью, в дорогих моделях она сделана из нержавеющей стали. Сверху для защиты конфорок располагается решетка из чугуна или эмалированной стали.
- Конфорки изготавливаются из различного материала от алюминия до керамики.
- Духовка предназначена для тепловой обработки продуктов, имеет отдельный термостат, в комбинированных моделях может быть электрической.
- Газовое оборудование с распределительными трубопроводами и запорными кранами.
- Автоматический розжиг.
В современных изделиях расположено несколько отдельных систем:
- Основная — это газовая, к ней относятся трубопроводы, поворотные переключатели, горелки, рассекатели и конфорки.
- Управление и контроль — процессоры, таймер, датчики системы газ-контроль, термопары и термометр.
- Электрическая — электроподжиг, гриль (в комбинированных устройствах), подсветка духовки.
Принцип действия
Основная работа основана на горении природного газа и температурной обработке продуктов питания. Регулирование газового потока в горелку осуществляется переключателями на панели управления. Голубое топливо, проходя по цилиндрической части горелки, смешивается с воздухом, образуя газовоздушную смесь.
Эта субстанция проходит через перфорации, которые имеет установленный сверху на цилиндр горелки рассекатель, затем выходит наружу и воспламеняется. Тепло от сгорания передается кухонной посуде, установленной на специальной решетке. Качественная конструкция системы позволяет осуществить полное сгорание газа — вот и весь принцип работы плиты.
Конфорки
Горелки выполняют основную роль в процессе смешивания газа с воздухом и подачи его к конфорке, перфорации имеют разный диаметр: внутренний, скрытый от глаз ряд — малые размеры, а внешний, расположенный на головке сопла, намного больший. Новейшие аналогичные устройства имеют два или три ряда (Три короны) перфораций для быстрого нагрева. Каждая конфорка располагается не ближе 230 мм от соседнего устройства.
Духовка
Эти устройства подразделяются на два основных вида:
- Два режима нагрева — нижний осуществляет основная горелка, верхний при помощи гриля.
- Несколько режимов плюс конвекция — принудительная циркуляция раскаленного воздуха.
Во втором варианте используются дополнительные нагреватели, расположенные сбоку и около задней стенки изделия.
Автоматический розжиг
Каждая современная газовая плита имеет устройство для поджога газовоздушной смеси — в основном используются свечи, создающие искру. Принцип действия довольно несложный:
- На положительном заряде конденсатор заряжается.
- При отрицательном значении он разряжается на первичную обмотку.
Каждая плита должна иметь хорошее заземление, т. к. пробой для появления искры происходит на корпус рассекателя. Конструкция свечей не отличается, а их главное предназначение — формировать устойчивую искру для розжига газа. Менять конфорку самостоятельно не стоит: можно случайно перепутать соединение проводов и вместо розжига получится взрыв смеси с негативными последствиями.
Соединение свечей производится попарно, а установка их осуществляется по одной на конце каждой обмотки. Свеча выбивает искру, а ток течет по корпусу рабочей плиты, но не стоит пугаться — получить удар довольно сложно, но все меры безопасности надо выполнять строго. Для бытовой газовой плиты электрический розжиг осуществляется автоматически при повороте регулятора, никакие кнопки дополнительно нажимать не надо. Минус такой системы — если отключится электричество, то розжиг не произойдет, так что держите про запас коробок спичек.
Для чего нужен газ-контроль в плите
Сегодня многие современные хозяйки предпочитают готовить на газе, так как пламя очень быстро нагревает еду до нужной температуры, а в случае необходимости нагрев можно легко уменьшить.
Большинство бытовых кухонных газовых плит Electrolux снабжено функцией газ-контроль, что позволяет значительно обезопасить процесс приготовления пищи.
Газ может воспламеняться и взрываться, а это уже опасно, потому производители по возможности максимально упростили процесс эксплуатации газовой плиты.
Безопасность вас и ваших близких
Система газ-контроля работает по определённому алгоритму.
Как только возникает утечка газа, то есть, пламя в горелке непреднамеренно гаснет, специальный механизм полностью перекрывает подачу газа внутри духовки, варочной поверхности или кухонной плиты.
Владельцам газовых приборов Electrolux можно совершенно не опасаться за собственную безопасность, так как вся техника бренда, работающая при помощи газа, снабжена современной системой газ-контроль.
С технической точки зрения данный алгоритм реализуется довольно просто. В качестве основных элементов системы выступают электромагнитный клапан, провода и термопара.
Когда он нагревается до определённой температуры, на другом конце термопары возникает небольшой стабильный электрический сигнал. В производстве его чаще всего используют для автоматизации промышленных процессов и для измерения температур.
К чему может привести утечка газа
Стоит иметь в виду, что основным горючим веществом природного газа выступает метан, который считается малотоксичным. Несмотря на это, утечка может привести к образованию в помещении совершенно взрывоопасной смеси. Искусственные газы в отличие от природных содержат значительное количество окиси углерода.
Именно поэтому любая утечка природных газов или их смеси чревата серьёзной угрозой здоровью. Сам по себе газ совершенно не имеет запаха, а потому в его состав специально добавляют одоранты — сильно пахнущие вещества, наличие которых позволяет почувствовать запах и зафиксировать возможную утечку.
Концентрация газа в помещении вполне может достигать таких размеров, когда малейшая искра или даже незначительное повышение температуры может привести к самовозгоранию или взрыву.
Принцип работы системы газ-контроль
Этот принцип реализован и в функционировании всех газовых плит Electrolux, в чём можно убедиться, изучив технические характеристики на сайте. Получаемый с термопары электрический сигнал передаётся в электромагнитный клапан, открывающий или прекращающий подачу газа на определённые горелки.
В этом случае термопару обычно спаивают так, чтобы шарик находился прямо на границе пламени. Сам электромагнитный клапан связан непосредственно с краном газового механизма в конфорке. Как только с термопары поступает сигнал, клапан начинает давить на кран конфорки, поддерживая его в открытом состоянии.
При внезапном погашении пламени термопара остывает практически мгновенно, сигнал на клапан не передаётся, клапан приостанавливает поддержание крана газопровода и он просто закрывается, автоматически перекрывая поступление газа.
Электромагнитный клапан и термопара связаны между собой специальным хорошо изолированным проводом.
После срабатывания механизма газ-контроль розжиг нужно производить заново. При этом есть один маленький нюанс, который присущ практически всем плитам Electrolux с системой газ-контроль. При розжиге для нагрева термопары требуется некоторое время — буквально несколько секунд.
Поэтому после возникновения пламени ручку конфорки нужно подержать во включенном состоянии ещё немного, иначе холодная термопара затушит его сразу же после возгорания.
Это небольшое неудобство в полной мере окупается за счёт гарантии безопасности пользователя, а потому многие выбирают кухонные плиты Electrolux только с системой газ-контроль.
Бывает и так, что система начинает постоянно блокировать подачу газа. Как правило, это может случаться вследствие неправильной эксплуатации. Стоит просто выдержать некоторое время при включении газа, строго следуя инструкции.
Мы рекомендуем использовать только плиты такого типа, чтобы максимально обезопасить себя и своих близких.
Подключение газового прибора к опуску
Газовая труба, как правило, располагается в углу помещения и идет снизу вверх. Стояк имеет патрубок с краном – опуск. К нему и подсоединяются газовые приборы. Подключение может быть жестким, с использованием металлического рукава. Подобное подключение встречается только в домах со старыми плитами. Этот метод достаточно сложен, поэтому рассматриваться не будет.

Схема подключения газовой плиты с помощью гибкого шланга.
После установки плиты на выбранное место ее соединяют с опуском при помощи резинового шланга. Для этого выход шланга обматывают уплотнительной нитью и вкручивают его в кран. Обратный конец шланга подключают к газовому прибору. В выход ставится специальная прокладка с сеткой, защищающая соединение шланга и выход от загрязнений.
Если выход прибора имеет резьбу 3/8′, потребуется установка переходника, на который заранее нужно намотать уплотнительную нить. После этого можно подсоединять гибкий шланг. Если он имеет размер 1/2′, на нее наматывают уплотнитель и прикручивают гибкий шланг. Все соединения затягивают газовыми ключами. Для перекрытия газа иногда требуется затвор, продающийся в специальных магазинах. Для того чтобы подключить плиту в помещениях, не имеющих газоснабжения, потребуется сжиженный газ и замена сопел в горелках. Большие сопла меняют на сопла меньшего размера.
После того как монтаж плиты будет завершен, нужно открыть шаровой кран и проверить качество соединений, обмазав их мыльным раствором. Если пузырей в местах соединений нет, значит, газ не выходит, соединение сделано правильно, прибор готов к использованию.
https://kuhnyamoya.ru/youtu.be/ndhN28GR9BQ
Если ваша плита имеет электрический духовой шкаф, нужно выполнять подведение электричества. Для этого устанавливается розетка с заземлением и проводится силовая линия от щитка. Рекомендуется применять провод ПВС 3х1,5. Электрощит нужно снабдить автоматическим переключателем на 16 А. Использовать бытовую розетку нельзя, так как сечение кабеля отличается от характеристик розеток, а проводка не может выдерживать большие нагрузки. Неправильное подключение проводки может приводить к опасным последствиям.
В завершение нужно рассказать о нормах техники безопасности и основных нюансах установки газовых приборов
Не стоит скрывать шланги гипсокартонными конструкциями. Используйте специальные короба. Количество соединений не должно превышать указанное в нормативных документах число. Покрывать шланг краской не стоит, это может привести к его повреждению. Более привлекательный внешний вид ему можно придать с помощью клейкой бумаги.
https://kuhnyamoya.ru/youtu.be/F5ur7i_kAX0
Kovea TKR-9507-С Ceramic Range
Kovea TKR-9507-С Ceramic Range
Плита с керамической конфоркой, работает от баллонов-картриджей. Главное достоинство модели – особая конструкция конфорки. Она выполнена в форме сот, что способствует максимальной теплоотдаче и высокому КПД. Такую плиту можно использовать не только для приготовления пищи, но и для обогрева.
Мощность прибора – 1,2 кВт, вес 1,5 кг. Расход топлива – 125 г/ч. Плита оснащена регулятором пламени. Поставляется в пластиковом кейсе.
Достоинства модели:
- экономичность;
- простота и надежность конструкции.
К недостаткам относят:
сложность в установке маленькой посуды на широкую решетку конфорки.
Плюсы и минусы плиты с газ-контролем

@stroy-podskazka.ru
Газовый контроль печки имеет ряд весомых преимуществ:
- Необходимость удерживать ручку в нажатом состоянии, прежде чем огонь загорится, исключает возможность включения маленьким ребёнком.
- Независимо от причин угасания пламени, система отключает подачу топлива уже через минуту.
- Исключается необходимость постоянно находиться рядом с печкой, даже если что-то сбежит, конфорка отключится автоматически.
Хозяева печей с контролем подачи топлива отмечают и недостатки:
- Некоторые печки с системой безопасности включаются через 5 секунд, ручку других нужно удерживать до 20 сек., пока огонь загорится.
- Если термопара выходит из строя, конфорка перестаёт функционировать.
- Починить поломку датчика самому невозможно, необходимо вызывать квалифицированного специалиста;
- Печка с датчиком стоит дороже.
Правила эксплуатации и ремонта
Исправность техники и ваша личная безопасность во многом зависит от того, как вы относитесь к оборудованию. Сюда входит правильная установка, бережная эксплуатация, регулярный уход и замена деталей, имеющих ограниченный срок использования.
Вот основные правила пользования газовой плитой:
- регулярно чистить решетку, поверхность плиты, конфорки, ручки управления;
- держать связь с представителями Горгаза и регулярно проводить ТО техники;
- проветривать помещение, даже если используете вытяжку;
- при длительном отсутствии перекрывать кран-отсекатель;
- следить, чтобы ручки находились в состоянии «выкл.», пока плита не используется.
Аккуратно нужно относиться и к эксплуатации духового шкафа. Ему, как и любому оборудованию, требуются чистота и исправность всех деталей.
Не рекомендуют использовать духовку в качестве обыкновенного шкафа для хранения посуды, особенно загромождая ее легко возгораемыми или плавящимися предметами.
Внутри жарочного шкафа должны находится только «рабочие» принадлежности: противни, решетки, приспособления для гриля и посуда или формы, если они участвуют в готовке
Если неисправна вентиляция и нет возможности открыть форточку или окно, пользоваться газовым оборудованием запрещено.
При появлении специфического запаха газа необходимо перерыть кран подачи топлива, распахнуть окна и вызвать аварийную службу. В период ожидания нельзя включать электроприборы, зажигать пламя, а лучше вовсе покинуть помещение. Даже звонок рекомендуется совершать с лестничной площадки или с улицы.
Ремонтом газовой техники должны заниматься или приглашенные специалисты из обслуживающей организации, или работники специализированного сервисного центра.
Электрическое управление и система контроля
В самых дешевых плитах электронное управление не предусмотрено – весь процесс регулируется механическим способом. В более дорогих моделях подключают электрическую систему, чтобы задействовать функции электроподжига и освещения духовки, а также управление вертелом.
Конструкция плит с электроподжигом включает свечи, расположенные на корпусе рассекателя. Они мгновенно срабатывают при включении, то есть в момент выхода газа
Некоторые пользователи так привыкли к системе автоподжига, что теряются при отключении электричества и не знают, как включить газ. Делается это просто: ручку управления нужно поставить в рабочее положение, а затем к рассекателю быстро поднести зажженную спичку.
Функция подсветки действует по-разному: у одних духовок она включается нажатием на кнопку, у других – автоматически, при каждом включении духового шкафа.
Очень полезен газ-контроль, работа которого осуществляется термопарой.
Главное назначение термопары – перекрыть подачу газа, если пламя горелки по каким-либо причинам потухнет. Принцип работы: огонь исчезает, температура резко снижается, газ автоматически перекрывается
Самые дорогие модели оснащены электроникой, которая облегчает и процесс готовки, и уход за оборудованием.
С помощью панели с кнопками и дисплеем можно управлять всеми процессами, среди которых могут быть следующие:
- таймер;
- отсрочка запуска;
- паровая очистка духовки;
- несколько режимов приготовления;
- световая и акустическая сигнализация;
- электронный контроль температуры;
- система быстрого охлаждения и пр.
Если плита недорогая, но обеспечена электроникой, стоит задать себе вопрос: а как часто придется обращаться в сервисный центр? Потому что электронная техника, по статистике, ломается гораздо чаще обычной.
Техника безопасности
@stroy-podskazka.ru
Существует определённый свод правил, о которых должен знать каждый человек, живущий в доме, где функционирует газовая плита. Халатное отношение способно привести к большой беде.
- Используйте включённую плиту только для приготовления пищи.
- Не оставляйте включённым огонь без присмотра.
- При появлении свиста обратитесь в аварийную службу, это тревожный знак.
- Даже малейший запах серы должен побудить вас незамедлительно покинуть помещение и вызвать специалистов.
- Держите в кухонном помещении огнетушитель на всякий случай.
- Уберите легковоспламеняющиеся материалы подальше от плиты.
- Выключайте конфорки после каждого приготовления пищи.
Не забывайте регулярно проводить проверку функциональности и состояния газовой плиты. Это должны проводить специалисты из службы газа. Делается это максимально просто, достаточно только подать заявку на обслуживание и ждать назначенного дня.
При малейшем изменении характера или цвета пламени, а также появлении постороннего запаха, писка, треска или неравномерности огня в срочном порядке обращайтесь к мастерам.
Особенности настройки газовых плит
Чтобы перейти с первой пары давлений ко второй в первой категории, меняются сопла либо дроссельные шайбы, либо регулировкой шибера подачи воздуха. Собственно, указанные методики видим у белорусов. Часто встречается необходимость подстройки или замены винта Малого огня. В этом смысле ремонт газовых плит Ардо повторяет ремонт газовых плит Ariston. В семействе 3P запрещается переход на альтернативный вид газа. Допускается замена сопла, регулировка подачи воздуха либо редуктора для смены рабочего давления.
У второй категории гораздо интереснее. При переходе с газа первого семейства на второе производятся манипуляции:
- Замена инжекторов или дросселей.
- Настройка расхода газа для первого семейства. Для второго семейства, наоборот, регулирующие устройства изымаются.
- Замена запальной горелки.
- Настройка подачи воздуха.
Громоздко стандарт рассказывает о наличии регулятора давления, который снимается в отдельных случаях:
- Регулятор давления не допускается ставить, когда подстройка ведется без изменения входного потока.
- Исключения составляют приборы из семейств 2Р+, 2L+, 2E+.
- В остальных случаях наличие регулятора давления газа допускается.

В газовых плитах второй категории переход между вторым и третьим семейством (и наоборот) проходит описанным образом:
- Смена форсунки или дросселя.
- Исключение регулятора давления для второго семейства в случаях, указанных выше.
- Для третьего семейства убираются элементы предварительной настройки малого расхода.
- Настройка подачи воздуха.
Критерии выбора кухонной плиты
Рассмотрим особенности газовых плит, которые не касаются их технических характеристик, а относятся исключительно к конструкции.
Дизайн, наполнение, расположение элементов не менее важны, чем мощность или количество рабочих режимов.

Если вас интересует прибор для сезонного использования на даче, даже не заходите в отдел дорогой техники – портативная плитка с подключением к газовому баллону удовлетворит ваши потребности и прослужит долго
Для постоянного применения необходимо выбирать надежный функциональный агрегат проверенной марки. Для этого можно почитать обзоры и отзывы, в большом количестве размещенные в сети.
При покупке с точки зрения конструкции обратите внимание на такие критерии, как:
- размеры плиты в целом и варочной поверхности в частности;
- объем духового шкафа;
- комплект принадлежностей для духовки;
- расположение панели управления;
- расположение патрубка для подключения к газу;
- возможность замены горелок для работы от баллонного газа;
- количество и размеры конфорок.
Любая неучтенная мелочь в дальнейшем может вызывать дискомфорт и неудовлетворение работой плиты, поэтому постарайтесь все продумать заранее.
Проблемы с ручками включения конфорок
Ручки подачи газа на конфорку – одна из самых необходимых деталей, без них невозможно использование плиты. За наружным флажком с юбкой, который вы поворачиваете, скрывается газовый кран, в который может быть встроен датчик газ-контроля.
Электроподжиг, встроенный в ручку, у плит Гефест встречается редко – обычно он вынесен отдельной кнопкой.
Со временем ручки могут перестать поворачиваться, начать заедать или прокручиваться. Что с этим делать, расскажем далее.
Ручка плохо нажимается и поворачивается
Такая проблема – не редкость, если её запустить, ручка может совсем перестать поворачиваться. Причиной обычно становится жир, накопившийся между флажком, юбкой и передней панелью плиты.
Горячий, он брызгает при готовке и легко затекает во все щели, а затем остывает, загустевает и превращается в своеобразный клей.
Аккуратно подденьте юбку и ручку ножом, отверткой или другим плоским предметом. Не прилагайте большого усилия – можно повредить эмаль или пластик
Чтобы избавиться от проблемы, флажок с юбкой нужно снять со штока и хорошенько вымыть. Ручку нужно потянуть на себя – она просто плотно насажена на шток, без защелок или других фиксаторов. Для удобства можно ухватить её плоскогубцами, желательно – через нескользящую тряпку, из тех, что продаются для уборки.
Юбка обычно слетает сама после снятия ручки, но если она не поворачивается с флажком, то может быть закреплена защелкой. В любом случае её можно подковырнуть ножом. Запомните её положение, чтобы при сборке сомкнулись защелки к панели или к флажку.
Во многих моделях в ручке есть укрепляющая металлическая пластинка, не потеряйте её. Вымыв все детали, а также переднюю панель под ручкой, соберите всё на место. Не забудьте вставить пружину, если она у вас была.
Флажок прокручивается или соскакивает
Такая проблема у плит Гефест встречается редко, но всё же бывает. Причиной обычно становится то, что из флажка выпала и потерялась металлическая пластинка, которая цепляется за выемку на штоке.
Можно вырезать такую пластинку из металлической крышки для консервации и вставить в специальный паз, либо купить новый флажок. Если же на вашей модели ручка полностью пластиковая и её внутренняя часть слизана, поможет только покупка новой.
Ручка поворачивается туго
Бывает, что даже после того, как флажок с юбкой идеально вымыты, ручка всё равно поворачивается туго. Причина в том, что выработалась смазка на газовых краниках.
Лучше для проведения профилактики пригласить специалиста, ведь ошибки при таком ремонте грозят утечкой либо засорением трубок подачи газа
Если вы решили смазать газовые краники самостоятельно, купите для этого специальную графитовую смазку. Перекройте подачу газа к плите. Затем снимите ручки и переднюю панель – как это сделать, мы описывали выше.
В плитах Гефест шток закреплён в кране фланцевым соединением, чтобы его снять достаточно открутить 2 болта по бокам. Шток сразу отмойте от жира и пыли.
Затем вынимается пружина и пробка крана – последняя и нуждается в смазке. Это цилиндрическая деталь со сквозным отверстием и спилом на боку, через которые к конфорке подаётся газ. Смазать пробку нужно совсем немного, слой должен быть невидимым, но ощутим на ощупь. Удобнее набрать немного смазки на палец и натереть пробку.
После сборки крана не спешите устанавливать на место переднюю панель. Сначала наденьте флажок на шток без неё, откройте газ и нанесите на кран мыльный раствор. Если нигде не появились пузыри, вытрите всё насухо и соберите плиту.
Выводы и полезное видео по теме
Полезные советы по уходу за конфорками:
Как заменить жиклеры при переходе на сжиженное топливо в баллонах:
Газовая плита – сложная бытовая техника, требующая знакомства как с особенностями конструкции, так и с правилами эксплуатации. Прежде чем начать пользоваться этим необходимым кухонным оборудованием, рекомендуем внимательно изучить рекомендации производителя, задать интересующие вопросы работнику газовой службы и научиться управлять плитой.
Помните, что газовая техника, наряду с электрической, относится к опасным для здоровья и жизни бытовым предметам, поэтому соблюдайте правила использования и вовремя сообщайте о потенциальной угрозе!
Если у вас остались вопросы по этой статьи или вы можете дать ценный совет по уходу или выбору газовой плиты, пожалуйста оставляйте свои в блоке под статьей.

























































