Что такое проходной выключатель и как он работает
Правильнее всего это устройство будет назвать переключатель – выключатель он для пользователей скорее по привычке, так как используется он для включения-выключения освещения. Если называть его правильно, то намного проще понять, в чем он отличается от стандартных выключателей – это название наиболее полно отражает суть его воздействия на работающую электрическую цепь.
Дополнительные названия – перекидной, дублирующий или перекрестный переключатель.
Как и у стандартного выключателя, у проходного есть только два положения, но принципиальная разница в том, что в обычном устройстве строго определено, к примеру, вверх – это включено, а вниз – выключено, а у проходного эти стороны постоянно меняются.
Понятнее всего принцип работы проходного выключателя становится при сравнении электрических схем – между ним и стандартным устройством, которое показано на рисунке:

Если обычный в разомкнутом состоянии просто разрывает цепь, то в случае с проходным все зависит от положения сразу двух переключателей:

Из схемы понятно, что у каждого из выключателей должно быть три клеммы – одна для фазы, которая идет от источника питания и две на «управляющие» провода. Когда у любого из двух переключателей меняется положение, то цепь либо замыкается, либо размыкается – в зависимости от того, в каком состоянии она находилась до этого.
Дополнительно можно сформулировать еще одно отличие между выключателем и переключателем – последний всегда можно подключить как простой выключатель, а сделать наоборот не получится.
Важно! При ремонте такой цепи надо учитывать, что один из проводов между выключателями всегда находится под напряжением.
Лучшие производители оборудования, и как выбрать выключатель
Изделия Legrand выделяются дизайном, качеством сборки, удобством эксплуатации. Трудности иногда возникают при монтаже на установочное место: его стандартные размеры не всегда совпадают с параметрами изделий «Легранд».
Спросом пользуются выключатели испанской компании Schneider Electric. Аналогичную по качеству продукцию производит российское дочернее предприятие Wessen. Модели отличает стильный дизайн. Декоративную рамку можно заменить, не демонтируя устройство.
Выключатели Legrand выделяются дизайном и удобством.
Долговечны, надежны выключатели турецкой компании Viko. Этими же качествами обладают устройства другой турецкой фирмы Makel. Разработчики предусмотрели монтаж без распредкоробки.
Другие известные бренды:
- Jung, Berker, Gira – все ФРГ;
- испанские Abb, Simon;
- шведский Werkel.
Выбирая выключатель, учитывают способ монтажа.
Управление осуществляется клавишами, кнопками, поворотными рычагами. Клавишные устройства предпочтительнее для жилых помещений, офисов. Количество клавиш – от одного до трех. Оборудование с рычажным управлением целесообразно устанавливать в подсобках.
При выборе выключателя учитывайте наличие индикатора.
Другие параметры, которые играют роль при выборе:
- наличие индикатора;
- класс защиты;
- присутствие заземления;
- максимально допустимый ток;
- материал.
Цвет и дизайн устройств выбирают по вкусу и в соответствии с интерьером.
Выбор инструмента: переключатели vs переключатели
Прежде чем отправиться в магазин осветительных приборов за необходимыми материалами, необходимо сначала разобраться в терминологии и различных устройствах для переключения электричества.
Для большинства начинающих электриков выключатель приравнивается к выключателю. Однако они похожи друг на друга только внешне. По принципу действия эти устройства различаются кардинально.
И домашние выключатели, и выключатели света выглядят одинаково и имеют одинаковые корпуса, но предназначены для принципиально разных схем подключения
Обычный «ПЕРЕКЛЮЧАТЕЛЬ» – это простейший переключатель «открыто / закрыто». У него есть один кабель на входе и один на выходе. Также есть двух- и трехкнопочные устройства с множеством контактов. Однако их всего два или три, собранные вместе в одном корпусе переключателя.
«ВЫКЛЮЧАТЕЛЬ» – это коммутационное устройство, в котором входная электрическая цепь переключается на одну из нескольких выходных цепей. Часто такое устройство еще называют «кулисным переключателем», поскольку в нем есть клавиша для переключения контактов из одного положения в другое.
Как минимум, такое одноклавишное устройство имеет три контакта (один входной и пару выходных). Если ключей два, то терминалов уже шесть (одна пара на входе и четыре на выходе).
Термин «ПРОХОДНОЙ ПЕРЕКЛЮЧАТЕЛЬ» относится к нескольким переключателям, соединенным между собой по определенной схеме. Такой выключатель предназначен для включения / выключения одного источника света из нескольких точек одновременно в комнате или на огороженной территории с освещением.
сделать «сквозное» устройство с классическими переключателями невозможно, чтобы сэкономить на покупке, для этого необходимо использовать только переключатели
В результате двухконтактный переключатель предназначен для разрыва электрической цепи с фазой, через которую запитывается осветительная лампа. А трехполюсный переключатель используется для создания новых отдельных цепей питания.
Первый вариант нужен для прерывания подачи питания по какой-либо цепи, а второй – для переключения с одной цепи на другую. Внешне оба устройства выглядят абсолютно одинаково. Это корпус с одним или несколькими ключами. В этом случае переключатель можно использовать в режиме переключения, но, наоборот, это не так.
сделать трехконтактный прибор из двухконтактного невозможно. Но вполне допустимо исключить использование одной из цепей. Но чтобы организовать управление светом из нескольких мест, достаточно приобрести коммутационные аппараты с тремя и более контактами.
Схема подключения проходного выключателя с 2х мест
Схема проходного выключателя с двух мест выполняется при помощи двух проходных одноклавишных устройств, которые работают только в паре. У каждого из них на месте входа есть один контакт, а на месте выхода – пара.
Перед тем как подключить проходной выключатель, схема подключения наглядно отображает все этапы, следует обесточить помещение при помощи соответствующего выключателя, находящегося в щите управления. После чего необходимо дополнительно проверить отсутствие напряжения во всех проводах выключателя. Для этого следует использовать специальную отвертку.
Для выполнения работ понадобится: плоская, крестовая и индикаторная отвертки, нож, бокорезы, уровень, рулетка и перфоратор. Для установки выключателей и прокладки проводов в стенах помещения следует выполнить соответствующие отверстия и штробы, согласно плану расположения приборов.
В отличие от обычных выключателей, проходные переключатели имеют не два, а три контакта и могут переключать «фазу» с первого контакта – на второй или третий
Прокладывать провода необходимо на расстоянии не менее 15 см от потолка. Они могут располагаться не только скрытым способом, но и быть уложены в лотки или короба. Такой монтаж дает возможность быстрого выполнения ремонтных работ в случае повреждения кабеля. Концы проводов обязательно заводятся в монтажные коробки, в которых также выполняются все соединения с помощью контакторов.
Порядок установки проходных выключателей на 2 точки: схема подключения
Все действия по установке коммутирующих устройств выполняются на основании схемы подключения из 2 мест проходных выключателей, которую можно найти в интернете. Она отличается от монтажа обычных выключателей, поскольку здесь присутствуют три провода вместо двух привычных. В этом случае два провода применяются в качестве перемычки между двумя выключателями, расположенными в разных местах помещения, а третий используется для подачи фазы.
В качестве источника освещения в такой схеме могут использоваться любые типы ламп – от обычных ламп накаливания до люминисцентных, энергосберегающих и светодиодных
К распределительной коробке должно подходить пять проводов: питающий от автомата, три кабеля, идущих на выключатели, и подключаемый провод, направленный к осветительному прибору. При построении схемы подключения одноклавишного проходного выключателя используются трехжильные кабеля. Провод «ноль» и заземление выводятся непосредственно на источник света. Коричневый провод фазы, который поставляет ток, проходит через выключатели, согласно схеме, и выводится на лампу освещения.
Переключатели подсоединяются в разрыве фазного провода, а нуль, пройдя распределительную коробку, направлен на осветительный прибор. Пропуск фазы через выключатель обеспечит безопасность во время ремонта и обслуживания светильника.
Установка проходного выключателя состоит из такой последовательности действий:
- выполняется зачистка концов проводов от изоляции;
- при помощи индикатора необходимо определить фазовый провод;
- при помощи скрутки фазовый провод следует соединить с одним из проводов на первом выключателе (здесь задействуют провода белого или красного цвета);
- выполняется соединение проводами между собой нулевых клемм переключателей;
- подключение отдельного провода второго выключателя к светильнику;
- в распределительной коробке провод от светильника соединяется с нулевым проводом;
При установке проходных выключателей самостоятельно, необходимо позаботиться о технике безопасности
Использование импульсного реле
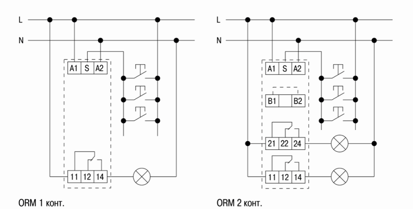
Проходную схему также можно организовать при помощи импульсного реле.
Какие преимущества? Главное достоинство этой схемы – неограниченное число точек управления. На каждый выключатель
нужно тянуть всего два проводника.

Какие недостатки? Необходимо установочное место в щите, а соответственно придется вести всю проводку туда же. В
качестве выключателей придется использовать выключатели кнопочного типа. Вообще, такое решение приемлемо только
при большом количестве мест управления освещением или при каких-либо нестандартных задачах.
Моделей импульсных реле много и в целом вопрос требует отдельной темы, поэтому подробности в рамках этой публикации
рассматриваться не будут.
Конструкция и особенности проходных выключателей
Подключить провод фазы к входу в одном из проходных выключателей, на котором три выхода. При этом фаза которая подается на светоточку , не коммутируется на один из выходов, а наоборот, заводится на оба контакта, с одной стороны. Примерно так выглядит исполненный монтаж внутри помещения, где необходима система управления из трёх мест К примеру, создавать подобную схему под условия прохождения длинного коридора, на 1 вход и 1 выход, с коммутацией в центральной зоне, явно нецелесообразно. Ноль приходит сразу на лампу, без промежуточных узлов. Мы привыкли называть устройства включения-выключателями, но по сути это проходные и перекрестные переключатели. Допустим, один из них будет находиться возле кровати, второй у выхода комнаты, а третий возле рабочего стола. Особого внимания требует грамотное подсоединение концов электрических кабелей, что гарантирует бесперебойную работоспособность и безопасность эксплуатации всей системы. Аналогичное крепление оставшихся выходов. Его конструктивная особенность в том, что имеется четыре контактные точки две входных и две выходных.
Работа схемы проходного выключателя
Путаница при чередовании фазы и нуля Нужно быть очень внимательным при коммутации проводников, чтобы не произошло как на картинке ниже. Скорее всего в новых выключателях есть ночная подсветка. К примеру, такой проект: Схемотехника для проектов, требующих увеличения числа мест управления более трёх.
Таким образом, можно будет включать, и отключать свет из разных мест. Главное преимущество изделия — возможность проводить включение или выключение с двух, трёх или более точек. Как подключить проходной выключатель из 3 х мест Целесообразность применения проходных выключателей обусловлена индивидуальной планировкой помещения со светильниками, требующими регулировки из различных точек. Особенность его в том, что при помощи его можно подключить множество выключателей. Но не исключается также вариант с одной РК.
Принцип работы и схема переключателя Как выглядит схема подключения проходного выключателя? Следствие из предпоследнего правила для перекрестного коммутатора: сколько выходных пар у проходного коммутатора, столько входных и выходных у перекрестного выключателя
Не менее важно осмотреть его конструктивные особенности, так как он может быть различного вида. Схема подключения представлена ниже. В диодных лампах, например, есть свой встроенный блок питания поэтому они такие дорогие , на входе которого стоит конденсатор
Как подключить проходной выключатель с двух точек полная схема монтажа
В диодных лампах, например, есть свой встроенный блок питания поэтому они такие дорогие , на входе которого стоит конденсатор. Как подключить проходной выключатель с двух точек полная схема монтажа
Управление освещением с 2х мест
Одним осветительным прибором или группой светильников можно управлять с двух мест: это могут быть бра в коридоре или фонарные столбы вдоль садовой дорожки. Потребуется обычная схема подключения проходного выключателя, точнее с двумя проходными одноклавишными выключателями, потому что они работают только парами. На таком примере легче всего понять, как работают проходные выключатели. На рисунке ниже показывается, как подключить проходной выключатель в схему.
Схема включения проходных выключателей
Фаза от сети 220 В подключается к входной клемме одного из проходных выключателей, его клеммы на выходе соединяются с выходными второго. Остается свободная входная клемма второго выключателя, его подключают к осветительному прибору. Второй контакт осветительного прибора соединяется к нулевому проводу сети. По схеме видно, что лампа находится в выключенном состоянии, при изменении положения группы контактов любого переключателя на нее подается ток. Следующее переключение на одном из двух переключателей обрывает цепь, лампа погаснет.
Ближе к реальным условиям схему монтажа показывает картинка расключения кабелей и проводов в распределительной коробке. По требованиям ПУЭ (Правила Устройства Электроустановок) в данном случае используется кабель с тремя медными жилами:
- красный – фаза;
- синий – 0;
- желто-зеленый – заземляющий провод.
Расключение кабелей и проводов в распределительной коробке
Схема разделяется на четыре участка цепи:
- кабель от сети питания 220 В: с защитного автомата в распределительном щите до коробки;
- кабель от одного проходного выключателя до расключающей коробки;
- кабель от другого проходного выключателя до коробки расключения;
- кабель от осветительного прибора до распределительной коробки.
В коробку заводится четыре кабеля.
Требования к цвету проводов по функциональному назначению выполнимы в полной мере только на двух участках. От распределительного щита и светильника до коробки при расключении контактов проходных выключателей они выполняются частично. Допускается использовать провода любого цвета. Если запутались, проверьте мультиметром в режиме прозвонки или другим измерительным прибором. На входные контакты переключателей обязательно подключается фаза (красный) провод.
Для управления двумя группами освещения применяется схема подключения двухклавишного проходного выключателя. Если человек понял, как подключаются одноклавишные проходные выключатели, он разберется, как подключить тройной выключатель.
Схема подключения двухклавишного проходного выключателя
Пример использования
К ситуации, когда по темному двору нужно пройти к дому, идеально подходит схема с проходными выключателями в двух местах. В частном доме легко реализовать этот проект своими руками. В прихожей рядом с распределительным щитом нужно установить распределительную коробку и один проходной выключатель. Второй – необходимо поставить с внутренней стороны на заборе возле калитки, в качестве осветительных приборов можно использовать фонарные столбы, установленные вдоль дорожки. В крупных магазинах электротоваров есть много вариантов с оригинальной декоративной отделкой.
Подключение следует сделать по вышеописанной схеме. Кабеля от уличного выключателя и между столбами рекомендуется прокладывать под землей в пластиковых трубах. Зарывать глубоко не надо, 30-40 см для защиты от механических повреждений будет достаточно. Учитывать глубину промерзания в каждом регионе нет смысла, это не водопровод, медные провода не промерзнут.
Степень защиты корпуса
Бытовые выключатели эксплуатируются в различных условиях, поэтому их корпуса могут быть выполнены в разных по степени защиты вариантах. Существует ГОСТ, регламентирующий эту степень. В электрике принята система маркировки IP, характеризующая защищенность корпуса от попадания воды и твердых частиц к токоведущим элементам. Она наносится на выключатель и указывается в сопровождающей документации.
Все электроустановочные устройства имеют определенную степень защиты от пыли и воды. Существует международная маркировка, которая наглядно показывает эту степень. Она может наноситься непосредственно на корпус изделия
Собственно маркировка представляет собой запись буквенно-цифрового вида. Первыми наносятся буквы IP, указывающие на тип маркировки. Далее стоит цифра, которая обозначает степень защиты от загрязнений.
Низшая обозначена нулем, высшая – шестеркой. Приборы из «нулевой» группы не имеют никакой защиты от попадания пыли, устройства с цифрой 6 на корпусе полностью от нее защищены. Они отлично работают даже в помещениях, где присутствует высокий уровень запыления.
Вторя цифра маркировки обозначает действующий уровень защиты от влаги. Здесь присутствуют цифры от нуля и до девяти. Первая группа выключателей оснащена корпусом, лишенным защиты от влаги. Последняя указывает на наивысшую степень защиты.
Такие устройства могут нормально функционировать при условии полного погружения в воду, в том числе и в горячую. После этих двух цифр могут стоять еще и буквы, дающие дополнительную информацию. Но для выключателей они практически не используются.
Учитывая эту маркировку, следует выбирать выключатели для разных по назначению нежилых и жилых комнат. Например, для спален и гостиных будет вполне достаточно защиты корпуса IP20, в сырых помещениях и санузлах следует устанавливать устройства с IP44, можно выше.
Для саун, бань или душевых подойдут приборы с IP54. Аналогичные устанавливаются на улицах, в неотапливаемых и запыленных помещениях. В последнем случае степень защиты может быть и выше.
Новые технологии: сенсорные проходные выключатели
Стильные сенсорные выключатели стоят дороже обычных, но пользуются спросом — они стали естественной частью современной «цифровой культуры». Сенсорные устройства — достаточно сложные электронные устройства. Для коммутации тока применяют тиристор или транзистор большой мощности, а сигнал, благодаря которому открывается (или запирается) прибор, поступает с сенсора — датчика, реагирующего на какое-либо внешнее воздействие.
Сенсором может быть датчик движения, или акустический, или емкостной — реагирующий на прикосновение. Чувствительные сенсоры реагируют даже до прикосновения, достаточно поднести руку на расстояние 1-3 сантиметра. В домах обычно устанавливаются емкостные сенсорные выключатели, или совмещенные с датчиком движения. Все сенсорные устройства могут управляться дистанционно. Если пульт управления не входит в комплект, его покупают отдельно.
Полупроводниковый прибор, ответственный за включение-выключение тока, может использоваться и для управления силой тока, яркостью света, если оснащен с диммером
Важно знать, что диммеры подходят не для всех осветительных приборов
На фото — сенсорный выключатель.
Проходные и перекрестные сенсорные выключатели, как и механические, используются для управления осветительными приборами с разных точек. По сравнению с механическими, они более функциональны: могут управляться дистанционно, управлять силой света.
Внешне сенсорные устройства представляют собой гладкую панель из стекла, в подключенном состоянии на ней заметна индикация: голубой светлячок — состояние ОТКЛ, красный — ВКЛ. Для управления осветительным прибором нужно просто прикоснуться к панели устройства.
Парадокс заключаются в том, что технологически продвинутые сенсорные устройства прекрасно справляются с управлением лампами накаливания или газоразрядными, но при включении продвинутых светодиодных светильников возникают проблемы. В цепи «сенсорный выключатель — светодиодный светильник» в отключенном состоянии могут наводиться слабые электрические импульсы, из-за которых светодиоды «подмигивают». Иногда возникают проблемы с диммером, если он регулирует ток через светодиоды.
В таком случае рекомендуется устанавливать дополнительный адаптер… или простые механические выключатели, через которые никакие импульсы не проскакивают.
На рисунке показана схема подключения адаптера параллельно светодиодной лампе.
На этом рисунке адаптер подключен к распределительной коробке и влияет на все светодиоды, включенные в данную цепь.
Рассмотрим схемы подключения проходных сенсорных переключателей.
Здесь показано соединение двух сенсорных проходных выключателей.
Здесь показано соединение трех проходных сенсорных выключателей.
Отметим, что посредине стоит такой же сенсорный переключатель, как и по краям. То есть сенсорные устройства не делятся на «простые» и «перекрестные».
В цепочке сенсорных выключателей есть «главный» — который изображен слева, к нему подходят три провода (один провод — от нагрузки). Перед началом работы систему нужно синхронизировать. Прикоснувшись к панели главного устройства, 5 секунд ждут звукового сигнала. После этого нужно прикоснуться ко второму выключателю. Синхронизация произведена. Далее синхронизируют с главным выключателем третий, четвертый и так далее.
Разновидности перекидных выключателей и их маркировка
Выбор перекидных выключателей приходится делать, основываясь на скромном перечне отличительных характеристик. Выпускаются они многими известными фирмами, в том числе такими, как Legrand, ABB, Schneider.
Рычажное электрооборудование считается более надежными и поэтому его часто используют на производствах, в местах общественного пользования
Перекидные выключатели классифицируют:
- По способу включения их делят на поворотные, клавишные и рычажные типы;
- По способу установки – на устройства для внутреннего и внешнего монтажа.
Двухклавишных перекидных выключателей перекрестного типа как таковых в продаже не найдешь. Но можно воспользоваться устройством серии Ultra от известного поставщика электрооборудования Schneider Electric, взяв два одноклавишных перекрестных блока модульного типа и установив их в один корпус. Если и этих моделей нет в наличии, монтируют рядом два одноклавишных переключателя.
Для управления двумя или тремя группами осветительных приборов используют двух или трехклавишные проходные переключатели, а перекрестные, в большинстве случаев, для каждой из групп светильников устанавливают отдельно
При выборе любого электротехнического устройства необходимо ориентироваться на его класс защищенности от внешних факторов — IP.
В большинстве случаев, в устройствах этого типа, IP довольно высокий и превышает значение 40, что допускает возможность использования во помещениях с традиционной повышенной влажностью, а также расположение на улице под козырьком.
В поворотных перекидных выключателях контакты замыкаются с помощью специального поворотного механизма. Стоят они немного дороже клавишных, но считаются более надежными
Чтобы правильно провести подключение электрооборудования, важно разобраться в обозначениях и схемах, нанесенных производителем на тыльной стороне. Так на схеме обозначается переключатель перекрестного типа
Такая же схема наносится на устройство, стрелки показывают расположение входных и выходных контактов
Так на схеме обозначается переключатель перекрестного типа. Такая же схема наносится на устройство, стрелки показывают расположение входных и выходных контактов
Если в обычном выключателе маркировку буквой L применяют для обозначения входящей фазной клеммы, а L1, L2, L3 для выходящих, то в случае со спаренным переключателем могут использовать цифры 1, 2, 3, 4, а входящие и выходящие клеммы обозначают стрелками.
На лицевой стороне выключателя производители также иногда ставят маркировку — для проходного это две стрелки в виде треугольника, для перекидного — решетка
Далее мы рассмотрим особенности установки и варианты возможных схем подключения на примере бытового перекидного выключателя перекрестного типа в комплекте с переходными включателями.
Графические символы электроаппаратуры
Для обозначения образцов аппаратуры электрических цепей используются следующие типовые символы (таблица 1).
К перечню изделий, представленных в этой таблице в виде символов, можно отнести:
- коробки распределительные (ответвительные), устанавливаемые в помещениях для оформления отводов к розеткам и осветительным приборам;
- коробки вводные и проходные;
- щитки освещения (групповые и магистральные);
- шкафы и щиты самого различного функционального назначения.
Для обозначения вводных и линейных или распределительных автоматов, а также стандартных приборов учета расхода энергии (электросчетчиков) используются следующие символы:
В заключительной части обзора отметим, что после ознакомления со всеми рассмотренными выше обозначениями каждый пользователь без труда сможет разобраться с имеющейся в его квартире электропроводкой.

























































