Электронные электросчётчики
Представляют собой группу современных устройств учёта и сбора данных о потреблении и расходе электроэнергии. Эти приборы оснащены более сложной компонентной базой, которая позволяет осуществлять вычислительные операции с достаточным уровнем точности.
Электронные электросчётчики
Основная задача электронных электросчётчиков заключается в круглосуточном сборе информации о показаниях мощности, потребляемой частью электрической схемы, за которой осуществляется контроль, и по следующим предоставлении данных в привычном для человека виде.
Эти приборы создаются для взаимодействия с двумя типами цепей тока:
- Постоянной величины (приборы, взаимодействующие с данным типом цепей, используются исключительно на крупных предприятиях, где эксплуатируется мощная аппаратура и оборудование).
- Синусоидальной гармонической формы.
Счётчик, взаимодействующие с цепями переменного тока, изготавливаются для использования в бытовых целях и применяются для подключения в однофазные и трехфазные системы подачи напряжения (электричества).
Конструктивно электронные счётчики изготавливаются из следующих элементов:
- Клеммной колодки, предназначенной для соединения с электрическими проводами.
- Панели ЖКИ дисплея, служащей для вывода данных.
- Органов управления.
- Измерительных трансформаторов.
- Печатной платой с электронными компонентами.
- Защитного кожуха (корпуса).
Принцип работы электронных энергосчётчиков
На два счётчика — тока и напряжения — от сети поступают сигналы. Далее, эти сигналы с выходов датчиков поступают на усилители, где происходит их усиление. Затем усиленные сигналы подаются на АЦП (аналого-цифровой преобразователь) и преобразовываются в цифровой вид. После оцифрованные сигналы подводятся к перемножителю.
Далее, производится фильтрация оцифрованного сигнала и вывод на устройства:
Индикации;
Интегрирования;
Передачи измерений;
Дальнейшего преобразования.
Преимущества и недостатки электронных счётчиков
Преимущества:
- Высокий класс точности измерений (от 1 единицы).
- Наличие нескольких тарифов (от 2).
- Возможность учёта реактивной и активной составляющей, используя один аппарат.
- Двунаправленный энергоучёт.
- Измерение качественных и количественных показаний мощности.
- Хранение данных учёта электроэнергии.
- Доступность данных.
- фиксация попыток хищения электроэнергии.
- Дистанционный доступ к показаниям.
- Компактность.
Недостатки:
- Повышенная чувствительность к колебаниям напряжений в сети.
- Относительно высокая стоимость.
- Сложность ремонта (в силу элементных особенностей).
Демонтаж старого счетчика
Аккуратно откручиваем клеммы и сам счетчик. При этом надо особенно бережно обходиться с подходящими к счетчику проводами, если не планируется их менять. Эти провода нам ещё предстоит прикручивать к новому счетчику.
Видим гетинаксовую пластину, прикрученную к стене:

Демонтаж старого электросчетчика СО-5. Насверлены отверстия – неужели для вентиляции?
Откручиваем пластину, аккуратно вытаскивая провода. Провода перед этим лучше пометить маркером, чтобы потом особенно не задумываться, что откуда и куда. Я обычно фазу мечу черным цветом.

Провода к электросчетчику
Провода коротковаты, а дополнительные контакты нам ни к чему. Поэтому надо будет постараться монтаж счетчика сделать выше на несколько сантиметров. Старый счетчик (и пломбу!) ни в коем случае не выбрасываем, он будет нужен хозяину квартиры при переоформлении документов.
УЗО и однополюсные автоматы
Преимущества сборки:
экономно
требуется щиток небольших размеров (от 54 до 72 модулей)
Недостатки:
не наглядная группировка линий
невозможность простого внесения изменений в перераспределении нагрузки по фазам
наличие нулевых шинок
Это один из простых и наиболее распространенных вариантов сборки и проектировании трехфазных щитков. Объясняется это конечно его дешевизной по отношению к остальным.
Однако такой способ не позволяет в будущем вносить существенные изменения в распредщитке. В первую очередь это связано с распределением нагрузки по фазам.

Однако это все предварительное деление. Так как реального потребления никто не знает. И только со временем, путем замеров можно увидеть фактическую картину. А она может существенным образом отличаться от ранее спроектированной.
И чтобы хоть как-то подравнять нагрузки, приходится переделывать чуть ли не половину всего щитка. Оставите как есть, и обязательно в будущем столкнетесь с проблемами:
перекос напряжения
нагрев нулевой шинки с возможным отгоранием ноля
перегруженные автоматы и последствия этого
Есть еще более упрощенный вариант данного способа комплектации.
Сборка на дифф.автоматах
Преимущества:
каждая линия защищена как от КЗ, перегрузок, так и от утечек. И все это одни аппаратом.
проще установить проблемную зону при повреждениях
отсутствуют нулевые шины
у вас полная свобода в группировке аппаратов в щите
легко распределять нагрузку по фазам
большие габариты щита и большое количество модульных устройств (от 72шт и более)
очень дорого
Дифференциальный автомат это оборудование, которое ставится на отдельную линию, как обычный автомат, но еще включает в себя и защиту от утечек (дифф.защиту).
Это хоть и самый лучший вариант, но и самый дорогой. Поэтому используется крайне редко.
Общая сумма такой сборки может достигать 200 тысяч рублей.
Условно говоря, сколько у вас будет отходящих групповых линий, столько же понадобится дифф.автоматов.
При этом, чтобы при возможных авариях понять, от чего отключился такой автомат, от утечки или КЗ, рекомендуется использовать модели с индикацией причины срабатывания.
В начале схемы монтируется вводное устройство – рубильник. С него пускаете питание на реле напряжения.
Далее, через кросс-модули разделяете нагрузку на диффы. На каждый автомат пускаете по одной фазе.
Если в последствии окажется, что та или иная линия перегружает какую-либо из фаз, вам достаточно на одном из кросс модулей просто поменять их местами, перекинув провода с одной шинки на другую.
Если вы не ограничены бюджетом, то это самый лучший вариант сборки и комплектации трехфазного щитка.
Подключение счетчика и автоматов
Когда требуется выполнить работы на приватизированной территории, нужно взять схему, изучить рекомендации специалистов и просмотреть видео, где подробно рассказано, как установить электросчетчик. Затем приобретите все необходимое. Убедитесь, что в доме есть инструмет: отвертки, пассатижи. Побеспокойтесь об индивидуальной защите и изоляции. Приобретите диэлектрические перчатки, изоленту. Только после этого приступайте к работе и действуйте согласно пошаговой инструкции.
Установка распределительного щита
Сейчас в продаже есть специальные пластиковые короба с дверцами, предназначенные для подключения счетчика и автоматов, для чего каждая модель имеет определенное количество гнезд. Каждое из них может быть приспособлено для монтажа:
- Однофазного счетчика.
- Автоматических выключателей.
- Клемм, шин, коммутаторов.
- Устройств бесперебойного питания.
- Вводного автомата (рубильника).
- Устройства защитного отключения.
- Элементов несиловых сетей (ТВ, интернет, телефон).
- Главного блока управления «умным домом».

В этом случае все устройства будут находиться в одном месте. Короб защитит их от попадания грязи, пыли, вводы, сырости, влаги. Пломбировать ящик не нужно. Но вот после сборки по схеме подключения на электросчетчик на основании поверки ставится пломба. Для этого вызывается мастер из организации, ответственной за предоставления коммунальных услуг и электроснабжения. Главное к тому времени все сделать и проверить. Тогда поверка не займет много времени.

Каждый щит оснащен ДИН-рейкой из прочного пластика или оцинкованного железа. Именно к ней крепится каждый устанавливаемый блок. По типу монтажа щитовые бывают навесными. Для крепежа достаточно пары дюбелей, идущих в комплекте. Ящики скрытого монтажа монтируются в специально предусмотренные ниши в стенах. Предварительно в стеновых панелях делаются отверстия для ввода кабеля и штробируются каналы для прокладки проводки. Подсоединение проводов к приборам – последний этап монтажа, не считая проверки работоспособности.
Необходимость вводного автомата
Договор на предоставление услуг подачи электроэнергии может находиться пункт, обязывающий жильцов установить общий автоматический рубильник на входе. При этом номинал также может быть обговорен в соглашении. Здесь есть одна особенность. Когда он находится на принадлежащей площади, самовольно разрешено обесточивать запитанных потребителей. В противном случае требуется получить официальное разрешение, где указано время, когда его нужно выключить, а затем включить.

Современные счетчики электроэнергии
Перед монтажом электросчётчика подумайте, какая из двух доступных модификаций вам необходима – электромеханическая или электронная. Также помните, что учетные приборы классифицируются по классу точности. Данный показатель характеризует максимально доступное отклонение (погрешность) при измерении и фиксировании расхода электроэнергии. Действующее Постановление Правительства от 04 мая 2012 года за номером 442 говорит, что класс точности не может быть ниже 2,0. Второй показатель – максимальная сила тока – не более 60 А.

Однозначный счетчик оснащен четырьмя клеммами для монтажа электропроводки. Стандартное расположение слева направо, если повернуть прибор к себе, предполагает:
- Приходящую фазу.
- Отводящую фазу.
- Входящий ноль.
- Отходящий нуль.

Перед началом работы обесточьте ввод и вывод. Убедитесь в отсутствии тока в силовых кабелях при помощи тестера или щупа с диодом. Проверяйте фазу и нулевой провод. Только после этого прикрепите прибор к DIN-рейке и подключите проводку согласно схеме.
Автоматические выключатели и УЗО

Их также можно установить собственноручно. Для этого пользуйтесь специальными посадочными гнездами, предусмотренными производителем щитового ящика. Требования те же: обесточивание, крепление к рейке, подсоединение подведенных проводов
Также важно придерживать схемы и действовать, не нарушая требований техники безопасности. При подаче электричества все устройства должны находиться в положении «Выключено»
Проверяют приборы поочередно. Только после этого активируют все рубильники.
Необходимость
Простейший вариант установки прибора – это прямой способ подключения. Если судить по нормам, потребление электроэнергии городской квартирой составляет по мощности 3 кВт, а при наличии электрической варочной печи – 7 кВт. Электрический ток здесь составляет около 13А. По этой характеристике производится выбор электросчетчика. Если брать пределы изменения тока, параметр на приборах составит 5-15А и 10-40А. Для небольшой мощности схема собирается без трансформатора тока.
Сколько бы ни было разнообразных моделей, необходимо помнить, что перед тем, как подключить электросчетчик, клеммы на панелях располагаются одинаково. Когда подключаются провода своими руками, на любом приборе есть схема, если посмотреть на обратную сторону крышки клеммной разводки. За счет этого изготовитель гарантирует, что провода будут подсоединены правильно.
Основные причины подключения электросчетчика следующие:
- выход из строя старого прибора;
- закончился срок последней поверки (через 16 лет);
- класс точности ниже допустимого –
Потребителю можно самому принимать решение по замене электросчетчика, связанной с другими причинами:
- разделение энергопотребления между несколькими пользователями;
- применение двухтарифного варианта электроснабжения;
- увеличение потребляемой мощности;
- необходимость определения расхода энергии на отдельные установки;
- потребность переноса на другое место с одновременной заменой.
Замена счетчика производится за счет пользователя.
Как установить электросчетчик в квартире
Подготовительные работы
Перед тем, как подключить счетчик электроэнергии, необходимо провести подготовительные работы. Установить бокс, в котором будет монтироваться все оборудование.
Большая часть современных счетчиков является модульными. Это значит, что их установка производиться на специальную монтажную рейку, что существенно облегчает и упрощает процесс монтажа. Так же, модульными являются и бытовые серии защитного оборудования, сюда относятся:
- автоматические выключатели
- УЗО (устройства защитного отключения)
- дифференциальные автоматы
- различные переходные клеммы и нулевые шины
- ограничители напряжения
- индикаторы напряжения
Они устанавливаются в специальные боксы, изготовленные из специальной негорючей пластмассы. Эти боксы, могут быть навесными и встраиваемые, иметь различные размеры, которые зависят от количества установочных мест внутри щита.
Бокс используемый в примере, навесного исполнения, рассчитан на 24 установочные позиции, имеет две дин рейки по 12 мест. Дин рейка — металлическая пластина, на которую монтируется модульное оборудование.

Бокс состоит из двух основных частей:
- наружная — защитная крышка с дверкой
- внутренняя, — в комплектацию которой входят, одна или несколько дин реек, их количество зависит от того, на сколько установочных позиций рассчитан бокс. И нулевая шина, предназначенная для распределения питающего нуля, между всеми отходящими проводами.
Переходим, к подготовке бокса к монтажу. Снимаем верхнюю крышку. Для этого необходимо открутить 4 винта крепления наружной крышки.

Перед нами, внутренняя часть бокса. Как видно на ней имеются две, упомянутые выше дин рейки.

И нулевая шина.

Монтируем бокс на стену. Стоит отметить, что согласно требований ПУЭ (правила устройства электроустановок), высота установки счетчика внутри помещения, должна соответствовать определенным размерам, 0,8-1,7 метра от пола. Такие требования обусловлены тем, что бы контролер или пломбировщик, обслуживающей электрической организации, имел возможность, снять показания счетчика без применения табуреток и стремянок. Оптимальной высотой установки, является высота уровня глаз среднего человека, 1,6-1,7 метра.
В зависимости от материала стены, используем необходимые крепления, дюбеля по бетону или саморезы по дереву.
Включение в однофазную цепь
Чтобы подключить счетчик, рассчитанный на трехфазное питание, в однофазную сеть, сначала потребуется ознакомиться с отличиями этих двух видов электропитания. При каждом из них в составе кабеля, подводящего напряжение с трансформаторной подстанции, имеется нулевой рабочий проводник N и фазы (одна или три).
В однофазной сети разность напряжений между фазными жилами A, B, C и нулем составляет 220 Вольт, а между самими фазами – 380 Вольт. Так называемое «линейное» напряжение образуется за счет того, что векторы действующих потенциалов на каждой из фаз сдвинуты относительно друг друга на 120 градусов.
При обилии на рынке продаж различных моделей однофазных измерителей тока включение трехфазного счетчика в однофазную сеть применяется крайне редко. В большинстве случаев схема такой коммутации аналогична прямому включению. Отличие состоит в том, что линии B и C не подключаются к счетчику, подсоединению подлежит только одна фаза. Существенным недостатком такого включения является возможность проблем с контролирующими организациями, которым очень не нравятся все варианты расключений, не соответствующие действующим нормативам и стандартам.
Подключение счетчика: правила и основные требования
Точно все требования прописаны в ПУЭ, а основные правила такие:
- Устанавливаться должен с защитой от воздействия погодных условий. Традиционно монтируются в специальные боксы (короба) из негорючего пластика. Для установки на улице короба должны быть герметичными и должны обеспечивать возможность контроля показаний (иметь стекло напротив табло).
- Закрепляется на высоте 0,8-1,7 м.
- Подключение счетчика производится медными проводами, сечением соответствующим максимальной токовой нагрузке (есть в техусловии). Минимальное сечение для подключения квартирного электросчетчика 2,5 мм 2 (для однофазной сети это ток 25 А, что сегодня очень мало).
- Проводники используются изолированные, без скруток и ответвлений.
- При однофазной сети дата госповерки счетчика — не старше 2 лет, при трехфазной — одного года.
Место установки счетчика в многоквартирных домах регламентируется проектом. Счетчик может устанавливаться на лестничной площадке или в квартире — в щитке. Если ставится в квартире, то обычно недалеко от двери.

Комплектация входного щитка
В частном доме тоже несколько вариантов. Если столб стоит во дворе, можно счетчик разместить на столбе, но лучше — в помещении. Если по требованиям энегроснабжающей организации он должен находится на улице, ставят его на лицевой стороне дома в герметичном боксе. Автоматы, идущие к группам потребителей (различным устройствам) монтируются в другом боксе в помещении. Также одно из требований при монтаже электропроводки в частном доме: провода должны просматриваться визуально.

Установка счетчика на столбе
Чтобы была возможность проводить работы на электросчетчике, перед ним устанавливают входной рубильник или автомат. Он тоже пломбируется, причем возможности поставить пломбу на самом устройстве, как на счетчике, нет. Необходимо предусмотреть возможность отдельной пломбировки этого устройства — купить небольшой бокс и смонтировать его внутри квартирного щитка или поставить отдельно на лестничной площадке. При подключении счетчика в частном доме варианты те же: в одном боксе со счетчиком на улице (пломбируется весь бокс), в отдельном боксе рядом.
Принцип работы защитных переключателей

Как правило, автоматы выключаются вручную (дистанционно или с помощью привода), а при нарушении правил эксплуатации – автоматически. Под нарушением режима эксплуатации подразумевается снижение или повышение напряжения до критических отметок, образование сверхтоков. Каждый автомат оснащен расцепителями максимального напряжения, а некоторые минимального.
В зависимости от функциональных возможностей автоматические выключатели делятся на автоматы обратной мощности, понижения напряжения и максимального тока.
Автоматы максимального тока необходимы для автоматического размыкания электрической цепи при формировании в ней перегрузок установленных пределов, а также токов короткого замыкания. Они заменяют плавкий предохранитель и рубильник, что обеспечивает избирательную защиту на случай возникновения нештатных или аварийных ситуаций.
Если рабочая среда отличается от нормальной, например, высокая влажность воздуха, электротехнические конструкции дополнительно требуется помещать в специальные шкафы или ящики химстойкого или пылевлагонепроницаемого исполнения.
Самостоятельное подключение счетчика
Правильно подключить электрический счетчик самостоятельно довольно сложно и опасно. Для этих работ необходимо иметь лицензию и группу допуска не ниже третьей.
Требования закона
Подключение электросчетчика необходимо производить согласно правилам устройства электроустановок (ПУЭ) в следующем порядке:
- Монтаж и подключение приборов учета электрической энергии производить только сертифицированным инструментом.
- Счетчики должны устанавливаться в ящиках, на шкафах распределительных устройств, имеющие жесткие основания.
- Питание к розетке следует подключать через автомат.
- Размеры шкафов и ящиков должны обеспечивать комфортный доступ к приборам учета.
- Выбор сечения подключаемых проводников производится согласно проектной документации.
Набор инструментов и материалов для монтажа
Для производства монтажа и подключения счетчиков необходимо иметь простой набор инструмента:
- плоскогубцы;
- отвертку;
- индикатор;
- мегомметр;
- уровень строительный;
- лестницу;
- монтажный пояс.
Материалы выбираются согласно спецификации в проектной документации.
К материалам относятся:
- защитные автоматические выключатели;
- проводники и кабели;
- тросовая продукция.
Схема подключения счетчика
Схемы подключения счетчиков имеют два вида:
- прямого действия (ток нагрузки до 100 ампер);
- косвенного действия (через измерительные трансформаторы тока и напряжения).
Однофазного
Однотарифный счетчик двухпроводной сети подключаются по схеме прямого действия, приведенной ниже.
Принципиальная схема подключения однофазного счетчика
На схеме видно, что питание приходит на клеммы счетчика 1 и 3. Потребитель включается через автоматический выключатель или пробки на клеммы 2 и 4. Фазный и нулевой проводник необходимо соблюдать, т. к. счетчик будет работать некорректно.
На видео показано правильное подключение однофазного счетчика энергомера. Снято каналом energomera.
Трехфазного
Трехфазные счетчики могут подключаться как по схеме прямого действия, так и косвенного. Подключение прибора по схеме прямого действия похоже на схему подключения однофазного счетчика. Этот способ предназначен при потреблении тока до 100 ампер. Ниже представлена схема подключения счетчика прямого действия по четырехпроводному принципу.
Принципиальная схема прямого действия для трехфазного счетчика
Питание подключается к следующим клеммам:
- фаза А-1;
- фаза В-3;
- фаза С-5;
- нуль-8.
Потребительская нагрузка подключается на четные клеммы соответственно 2, 4, 6 и 8. Необходимо строго соблюдать порядок подключения и произвести фазировку напряжения.
На промышленных предприятиях применяется схема подключения косвенного действия, т. е. через измерительные трансформаторы тока и напряжения. Трансформаторы тока имеют вторичный ток при максимальной нагрузке 1 или 5 ампер. На вторичной обмотке напряжения значение составляет 100 вольт. Датчики тока и напряжения должны соответствовать классу точности и полярности подключения.
Ниже представлена схема косвенного подключения прибора учета электрической энергии.
Косвенное подключение трехфазного счетчика
Установка счетчика: основные правила
Установить счетчик следует согласно правилам устройства электроустановок (ПУЭ):
- Согласно проектной документации монтируется влагозащищенный шкаф для прибора учета электрической энергии на высоте 0,8-1,7 м от напольной поверхности. Но рекомендовано чтобы счетчик стоял на уровне глаз.
- Проводники необходимо использовать медные с сечением от 2,5 мм до 6 мм.
- Нельзя допускать скрутки и ответвление проводов.
- Установку счетчика своими руками производится с уровнем, чтобы угол наклона не превышал один градус.
- При подключении счетчика необходимо промаркировать провода. А также необходимо подключить защитные автоматические выключатели и произвести пломбировку прибора учета.
В случае отсутствия пломбы владелец может быть обвинен в хищении электрической энергии.
- Отключается вводной пакетник или автоматический выключатель для безопасного проведения работ.
- Выбирается щитовая и проводниковая продукция согласно проекту.
- Щит учета устанавливается на место монтажа.
- Производится монтаж счетчика на площадку шкафа. На DIN рейку монтируются счетчик, защитные автоматы и система УЗО.
- Подключение электросчетчика производится СИП проводниками согласно схеме. Фазировка должна быть соблюдена при монтаже.
- Опробование системы учета. Перед включением к сети необходимо произвести замер целостности изоляции с помощью мегомметра
- Опломбирование счетчика энергоснабжающей компанией.
Типовая схема ввода однофазной сети
К подавляющему большинству квартир, садовых участков и небольших бытовых объектов типа гаражей подведена однофазная сеть. Способ подключения измерительного прибора (электросчетчика) и предохраняющих цепи элементов (УЗО, автоматические выключатели и дифференциальные автоматы) одинаков.
В зависимости от условий эксплуатации и запитанных приборов схема подключения однофазного электросчетчика может претерпеть следующие изменения:
- Отсутствие ввода “земли”.
- Отсутствие индивидуального вводного автомата перед счетчиком. Он может быть общим для нескольких цепей, оснащенных приборами учета, либо вместо него может быть установлен обыкновенный ручной коммутатор (рубильник).
- Отсутствие разветвления на несколько цепей.
- Отсутствие УЗО и автоматов, защищающих линию после счетчика.
Если автоматы или УЗО между счетчиком и потребителями отсутствуют, то в случае короткого замыкания или значительной перегрузки произойдет поломка прибора учета. Поэтому защита сразу после прибора учета нужна, тем более что простейшие автоматические выключатели стоят дешево.
Типовая схема ввода однофазного электропитания на объект. Именно в такой последовательности необходимо подключать все элементы, чтобы система нормально функционировала
Основные технические требования к установке
Все работы должны производиться при обесточенной сети, отключение делают на главном распредщитке, ВРУ. Наличие напряжения проверяют обычным мультиметром, вольтметром, указателями (отвертками-индикаторами).

Пред тем как установить электросчетчик, надо хотя бы в общем ознакомиться с нормами по проводке. Сечение жил ввода в квартиру по п. 7.1.34 ПУЭ должно быть не меньше 2.5 мм², материал — медь. Стандартно используют 6 мм². Но это не строго фиксированная характеристика — ее значение зависит от совокупной мощности электроприборов в доме.
Если предполагаемое потребление всех одновременно включенных устройств составит до 10 кВт, то потребуется 6 мм². Если есть мощные водогреи и подобные агрегаты, мощность которых может достигать 5 и больше кВт, то подбирают большее сечение, оборудуют трехфазную сеть. В любом случае рекомендовано брать жилы с запасом около 20 %. Но надо смотреть, чтобы вводной кабель не слишком превышал толщину внутренней проводки, так как это может быть небезопасно. Электросчетчик в квартире, его номинал также должен соответствовать токовым нагрузкам с запасом.
Уже действующую алюминиевую проводку в старых зданиях использовать разрешено, но она менее качественная, более ломкая: ток для меди 8 А/1 мм, для Al — 10 А/1 мм; 2.5 мм² первой соответствует около 4 мм² второй. Скрутки и пайки на жилах ввода не допускаются. Не надо путать сечение (в квадратах) и диаметр проводника — это разные понятия, хотя иногда они обозначаются значком ∅.

Установка счетчика в щите на лестничной площадке или гараже своими руками
На каждой лестничной площадке многоэтажного жилого дома, расположен щит учета с электросчетчиками, которые подсчитывают потребление электричества на всем этаже. Что нужно для монтажа счетчика в распределительном щите:
- Приготовить необходимые инструменты: кусачки, плоскогубцы, клещи для снятия изоляции, отвертки, изоленту и прочее.
- Доступ к вводному рубильнику для отключения от сети линию этого этажа.
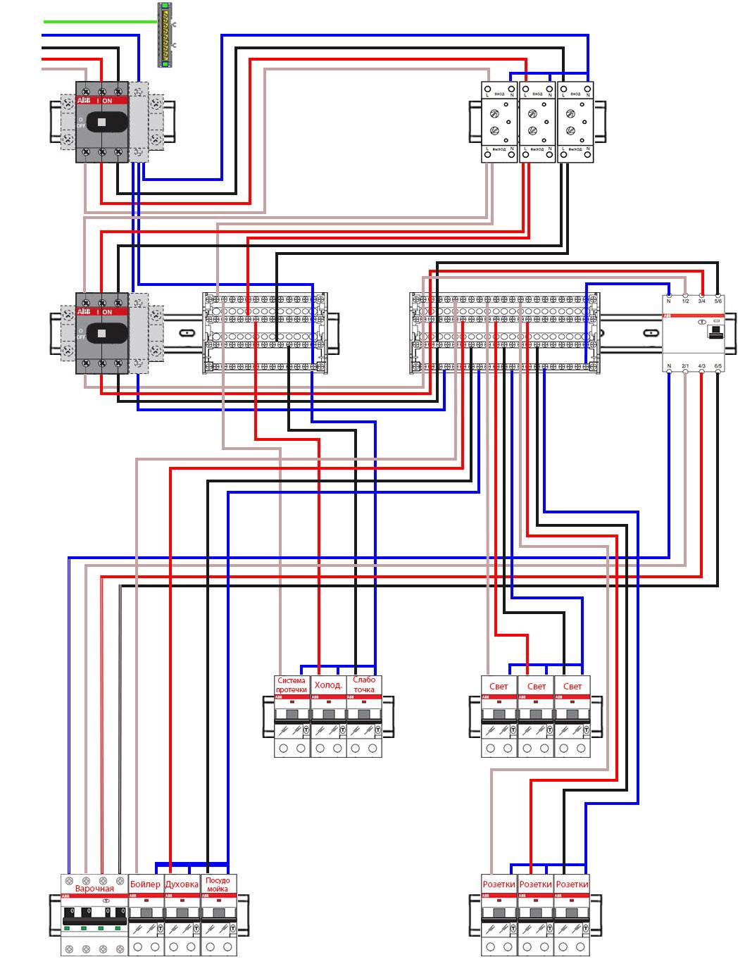
Схема подключения счетчика и автоматов защиты.
Подключение счетчика в подъезде
Для начала нужно сделать ответвления от питающей линии. Для этого предварительно обесточенные магистральные провода зачищают от изоляции с помощью специальных клещей, на расстояние 3 см. На это место ставят специальный клеммник для ответвления провода. После установки клеммника на магистральный провод, к нему подключают отводящий провод, который пойдет к вводному автомату.
Аналогичным образом делают ответвление и от нулевого магистрального провода.
Затем устанавливают все аппараты защиты, и сам счетчик, на панель щита, это удобнее делать с помощью Din-рейки. После установки всех компонентов на место производится подключение проводов.
Сделанное ответвление от фазного магистрального провода подключают к вводному автомату, затем с выхода вводного автомата провод подключается, согласно схеме, к первой клемме счетчика. Ответвленный нулевой провод подключают сразу ко второй клемме счетчика, автоматический выключатель для него не нужен.
От третьей клеммы провод идет на групповые автоматы защиты потребителей. Провод с четвертой клеммы подключается к общей шине зануления, к ней же будут подключаться все нулевые провода от потребителей.
Фазные провода, приходящие с квартиры, подключают к нижним зажимам автоматических выключателей, которые установлены после счетчика. Для каждого фазного провода (группы электроприборов) необходимо устанавливать отдельный автоматический выключатель. Запрещается подключение нескольких фазных проводов к одному автомату.
Все нулевые провода от групп потребителей электроэнергии квартиры, подключаются к общей шине зануления.
Помните, что в щите на лестничной клетке, располагаются не только ваши счетчики и автоматические выключатели, но и ваших соседей. Чтобы избежать путаницы при возникновении каких-либо неисправностей обязательно сделайте отметки с номером квартиры на ваших автоматических выключателях и счетчике.
Установка счетчика электроэнергии для гаража аналогична. Отличие заключается только в том, что нет надобности в ответвлении магистральных проводов, поскольку в гараж заводятся уже готовые отдельные провода питания.
{SOURCE}
Щиток для электросчетчика и автоматов – как выбрать и собрать правильно
Автоматические выключатели и электросчетчик – это необходимые атрибуты современной электрической сети. Устанавливают их в специальных распределительных щитах, которые сами уже стационарно установлены в подъездах многоквартирных домов. А что делать частнику в своем собственном доме? Эта проблема сегодня не стоит вообще, потому что на рынке каждый для себя найдет подходящий щиток для электросчетчика и автоматов по размерам и дизайну. Кстати, последний критерий сегодня играет немаловажную роль, ведь щиток чаще всего устанавливают внутри дома. Так что он должен обязательно вписаться в интерьер той комнаты, куда будет монтироваться.
Виды автоматических выключателей

Существует 3 вида автоматов защиты электрической сети. Они способны работать с нагрузками разной величины, и отличаются друг от друга своими конструктивными особенностями.
- Воздушные электрические автоматы. Эти электротехнические устройства могут быть оснащены 3-4 полюсами и выдерживать суммарную силу тока до 6,3 кА. Устанавливаются в электрических цепях с установками высокой мощности.
- Литые выключатели, которые предназначены для работы в промышленных сетях с силой тока до 1 кА. Изготовлены в литом корпусе, благодаря чему и получили такое название.
- Модульные АВ устройства используются в бытовых сетях, где протекают токи незначительных величин. Как правило, имеют 1-2 полюса и ширину, которая кратна 1,75 см.

Существует еще одна разновидность автоматических выключателей, которые носят название дифференциальные. Их отличие от аналогов заключается в том, что устройство дополнительно оснащается УЗО.
Неотъемлемой составляющей автоматов являются расцепители. Они необходимы для того, чтобы при превышении допустимых значений параметров электрической сети разрывать эту цепь, остановив подачу электроэнергии. Рацепители бывают двух видов – тепловые и электромагнитные. В первом случае автоматы срабатывают практически моментально, а последним потребуется немного времени.
Существующие конструкции электросчетчиков
Есть несколько вариантов исполнения этого прибора:
- однофазные либо трехфазные;
- механические (индукционные) или электронные;
- однотарифные или многотарифные;
- прямого или вторичного включения.
Двухтарифный счетчик электроэнергии и переход на ночной тариф – один из способов уменьшить затраты на электроэнергию.
Употребление выражения “двухфазный счетчик” неверно. В обиходе этим термином называют однофазные приборы с возможностью тарификации. Они выпускаются разными производителями (“Энергомера”, “Меркурий”, “Нева” и проч.), отличаются количеством выводов, вариантами использования, возможностями учета и др.
При выборе нужно учитывать следующее:
- Однофазные приборы используются там, где напряжение сети составляет 220 В. Например, при монтаже счетчика в квартире или офисе.
- Если есть станки, мощное электрооборудование, предполагается подключение 380 В. Применяются трехфазные счетчики электроэнергии.
- И в той, и в другой категории многотарифные устройства употребляются тогда, когда цена электроэнергии отличается в зависимости от времени суток или других обстоятельств.
- Механические (индукционные) приборы, в отличие от электронных, не могут использоваться в неотапливаемых помещениях. Это нужно учитывать при установке счетчика в гараже и в подобных ему сооружениях. Однако они надежны, долговечны и сравнительно недороги.
- Вторичное включение применяется там, где проходят большие токи – в трансформаторных подстанциях или во входном щитке подъезда.
Механические приборы учёта относятся к категории надежных в эксплуатации электросчётчиков.
Электросчетчики являются “модульными” приборами, поскольку, как и другая коммутационная аппаратура, устанавливаются на специальной шине – дин-рейке. Это делается для удобства монтажа электрооборудования в щитке. Кроме электросчетчика, на ней располагаются автоматические выключатели.
Подключение автомата к счетчику производится для защиты прибора от перепадов напряжения или человека – от поражения электротоком.
2 вида установки своими руками
По сути, все эти схемы идентичны, отличаются друг от друга они лишь использованием трансформаторов. Это защитный нулевой провод, который не подключается ни к счетчику, ни к какому либо другому прибору
Важно запомнить, что после того, как силовой шкаф отработает под нагрузкой одну—две недели, необходимо повторно проверить затяжку фиксирующих винтов электросчетчика и автоматов.
Комплектация входного щитка В частном доме тоже несколько вариантов.
Теперь, в случае возникновения аварийной ситуации и срабатывания вводного автомата, разорвется и нулевой провод, на котором, в некоторых случаях, может быть опасный потенциал и это не единственное преимущество данной схемы подключения. Номинальное электрическое напряжение и частота.
Кроме активной потребляемой мощности электронные счетчики могут измерять и реактивную мощность, а также могут вести учет расхода электроэнергии в двух направлениях.
В некоторых видах этих приборов клеммы расположены снизу
Через токовый трансформатор.
Ведь профессиональный электромонтер при работе также будет обращать на это внимание, и руководствоваться в первую очередь визуально. Совершенно очевидно, что производство электроэнергии — это процесс сопровождается немалыми расходами, которые должны быть возмещены теми, кто эту энергию потребляет.
Доступ к вводному рубильнику для отключения от сети линию этого этажа
Был ли прибор в работе, значения не имеет.
Как собрать однофазный щит учёта.
Выводы и полезное видео по теме
Самостоятельное подключение позволяет сэкономить деньги, но предполагает наличие базовых знаний в электрике. Если придерживаться ном безопасности и пользоваться схемой и пошаговой инструкцией, работы не займут много времени. Однако если нет входного рубильника, придется оформлять вызов мастера, чтобы обесточить стояк (подъезд). В остальном видео станет лучший подспорьем для тех, кто все же решит сделать все собственными руками. Но после вызовите инспектора Энергонадзора, чтобы освидетельствовать счетчик и установить пломбу.

























































