Схемы сборки
Это можно использовать и в системах сигнализации. Один из вариантов — это использование специального термовыключателя, который будет отключать кофеварку. Это объясняется дешевыми комплектующими, простой схемой сборки, отсутствием дополнительных сложных настроек, широким температурным диапазоном работы. Схемы сборки Микроволновый Для контроля открытых пространств и контроля наличия объектов в нужной зоне, существует емкостное реле.
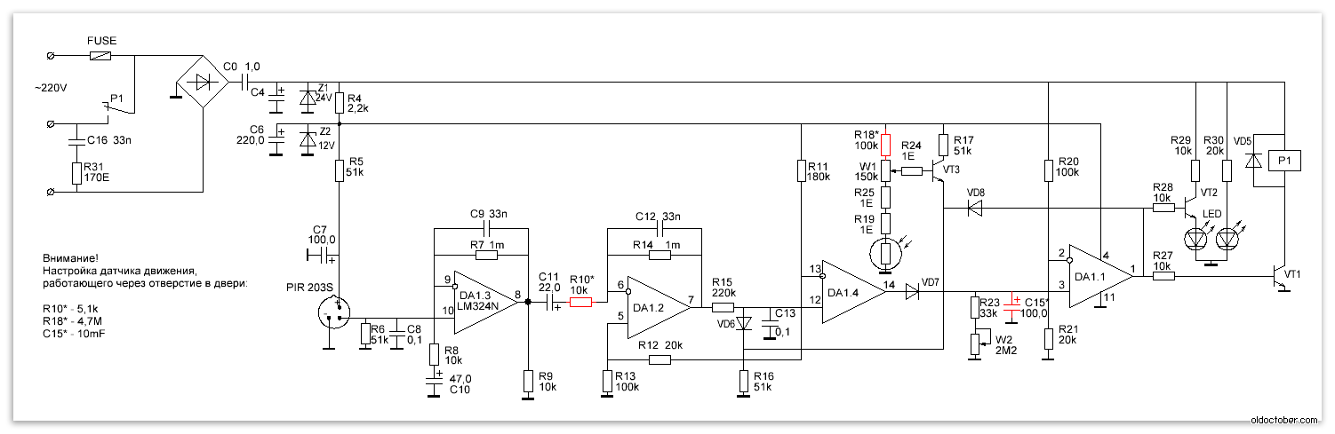
Схема 3. Все работы ведутся только после снятия общего напряжения В.
Видео 2. Провод МГТФ используется для подключения датчика фторопластовая изоляция.
Подключение проводов делаем следующим образом: провод фазы питающего кабеля подключаем вместе с фазным проводом от датчика коричневый и белый.
Если Вам нужно провести ремонт, то все индикаторы, разбираются очень быстро и в основном проблема заключается в контактах, просто зачистите их.
Датчик неплохо отрабатывает движения, однако если движения очень медленные — он может не срабатывать.
Транзистор VT1 является высокочастотным генератором и по совместительству радио приемником.
Датчики движения ДД 009 и ДД 008 Специализированная и нестандартная схема подключения
Статья по теме: как открыть электролабораторию до 1000v
Назначение датчика движения
Датчик движения – это электронное устройство, реагирующее на движение в определенной зоне. Результатом реакции может быть включение любого электрического устройства, света, звука или автоматическая передача тревожного сигнала. Назначением бытовых ИК датчиков, о которых рассказывается в данной статье, является контроль освещения в требуемой зоне.
Автоматическое включение и отключение света способствует экономии электроэнергии и позволяет избавиться от ненужного расхода по вине забывчивости владельцев жилья, или бегающих из одного помещения в другое маленьких детей. Кроме того, датчик позволяет избавиться от проблем поиска выключателя в темной комнате, или вообще убрать его со стены.
Настройка
Электрическое подключение завершено. Теперь на передней панели следует настроить датчик:
- Прокрутите первый регулятор для установки в режим авто.
- Второй регулятор отвечает за чувствительность к свету. Для активации датчика только в темное время суток, поверните регулятор на нужное количество градусов влево.
- Таймер отключения освещения при отсутствии движения в контролируемой зоне. Диапазон времени обычно указан характеристиках устройства, в инструкции по эксплуатации.
Готово. В распредщитке переведите автоматический выключатель в положение «включен» и проверяйте только что выполненную работу.
Угол обзора
В дешевых вариантах устройств доступны только настройки чувствительности, времени действия и уровня порогового освещения, а угол обзора фиксирован. Более дорогие аналоги позволяют регулировать и эту характеристику. Если прибор часто срабатывает не вовремя либо появляются слепые зоны, то стоит проверить правильность направления угла обзора.
Установка настенного датчика
Чувствительность (SENS)
Данный переключатель позволяет уменьшить количество ложных срабатываний от домашних питомцев, веток деревьев за окном и других факторов. Настройка по этому фактору начинается с минимального значения переключателя, с последующим увеличением до нужного. Все это производится экспериментальным путем с обязательным тестированием.
Задержка выключения (TIME)
В зависимости от модели детектора параметр может варьироваться от 3 сек до 15 мин. Это значит, что после того как было обнаружено движение, лампочка будет гореть в течение этого времени. При этом, если время вышло, но человек все еще находится в зоне видимости прибора, свет будет гореть. Таймер начинает свой отсчет до выключения лампы после того, как движение прекратилось. Начинать настройку следует с минимального значения.
Уровень освещенности (LUX/DAY LIGHT)
Настройка по этому параметру производится для регулировки включения осветительного прибора при заданной освещенности. То есть включение будет происходить только если произойдет регистрация движения при настроенной освещенности. Если освещенность в помещении будет выше – прибор не включится. Регулировку производят с минимального значения, постепенно увеличивая до необходимого.
Схемы подключения
На фото: варианты подключения устройства Существуют различные варианты монтажа, отличающиеся между собой расположением кабелей: К ДД приходит кабель питания и выходит на осветительный прибор.
Первый генерирует сигнал высокой частоты, второй их принимает.
Приобретая датчик, Вы должны также получить стандартную инструкцию по его установке, настройке и подключению. Есть смысл посмотреть для совершенствования практики. Регулирование происходит в диапазоне от минимального до максимального показателя.
Для того, чтобы использовать девайс в светлое время суток, переключатель ставите в режим, где значок солнца. Понимание этих особенностей позволит избежать мертвых зон и ложных срабатываний. Как выставить настройки так, чтобы прибор случайно не реагировал на домашних животных?
Как собрать ИК-датчик движения своими руками? Настройка и регулировка датчика После монтажа обязательно надо провести процедуру регулировки датчика движения для освещения. Брак и неправильные условия эксплуатации К сожалению, от производственного брака и неправильной транспортировки устройства никто не застрахован. Если вам не хватает мощности датчика — используйте промежуточное реле и магнитный пускатель с катушкой на В.

Затем происходит подсоединение нагрузки A, красный у датчиков и фазы L, коричневый у лампы. Контактные Самый простой вариант датчика движения — использовать концевой выключатель или геркон. Или, например, к датчику была подключена мощная лампа, превышающая рекомендуемые показатели, и он не справился с нагрузкой.
Для подключения устройства включения света не требуется специальных знаний и навыков в области электроники. Лампочка соединяется с фазой через провод. Первым потенциометром можно выставить требуемые параметры задержки на отключение то есть после того, как лампа загорится, она погаснет только по истечении заданного времени. Схемы подключения: 4 примера Если вы решили подключить ДД на свет и приобрели его в магазине, то устанавливать нужно по схеме, указанной на упаковке. Подключение приборов допускается в условиях нормальной окружающей среды.
Также есть вероятность, что угол зрения прибора направлен не туда, куда нужно. Датчик неплохо отрабатывает движения, однако если движения очень медленные — он может не срабатывать. У кабеля который подключен к датчику белый провод это фаза, зеленый это ноль, красный необходимо подключить к нагрузке.
Как подключить датчик движения
Рекомендации по установке
При монтаже датчиков движения необходимо учитывать различные нюансы. Рассмотрим основные из них.
Защита от солнечных лучей
Когда прямой солнечный свет попадает через открытое окно или отражатель автомобиля, могут быть лжесработки. Производители защищаются от этого несколькими способами. Линза Френеля усиливается специальным материалом, который обеспечивает защиту от света. Пиросенсор может быть расположен на печатной плате так, что верхняя часть инфракрасного датчика защищает от чрезмерного притока солнечного света, сквозняков и грязи.
Защита от радиочастотных помех
Высокопроизводительные радиопередатчики и радиоволны могут вызвать путаницу и ложные срабатывания при работе датчика движения. Эффективным решением является установка пиросенсора с металлической крышкой. К сожалению, некоторые производители не уделяют этому достаточного внимания. Поэтому в некоторых случаях мешающие радиоволны могут доставить пользователям несколько неприятных минут.
Защитная крышка и маскировка
Люди нечасто проверяют датчики своей системы сигнализации и электропроводку. Злоумышленник, воспользовавшись этим обстоятельством, может оторвать или замазать линзу датчика, делая его неработоспособным. Чтобы защитить прибор, инфракрасные устройства с более высоким уровнем защиты и более высоким ценовым диапазоном покрыты защитной крышкой. В датчике устанавливают светодиод инфракрасного передатчика и фотодиодный приемник. Излучаемые лучи светодиода передатчика достигают диода приемника только в том случае, если линза датчика закрыта, и сигналы отражаются от этой поверхности. Тогда работа фотодиода приводит к появлению сигнала.
Защита от ложных срабатываний
Ниже приводится краткое описание условий установки и использования приборов. Они могут значительно уменьшить возможные ложные срабатывания детекторов движения.
- Избегайте мест, где есть сквозняки – естественные, кондиционированные или от вентилятора. Двери и окна также должны быть закрыты во время режима охраны.
- Не направляйте детектор на инфракрасные объекты, такие как радиаторы, кондиционеры, факсы, лазерные принтеры и другие приборы, которые выделяют тепло.
- Сильные световые эффекты могут быть источником помех, поэтому инфракрасные лучи не должны подвергаться воздействию прямых солнечных лучей, отраженного солнечного света или света автомобильных фар. Избегайте установки вблизи радиопередающего оборудования.
- Следует позаботиться о том, чтобы поверхность, на которой установлен инфракрасный порт, не имела вибраций и была устойчивой, особенно для системы с двумя диодами.
- Не направляйте датчики на области, которые могут вызвать нестабильность работы, такие как отражающие, глянцевые, поверхности или вода в бассейне.
- Если у вас есть домашние животные, необходимо рассмотреть выбор специальных датчиков движения и определенный способ установки. Выбирайте только инфракрасный детектор с защитой от домашних животных.
Материал дома, толщина стен и сквозняки
Чем жестче и прочнее дом, тем более стабильна работа датчика движения, поскольку он не сможет отсоединиться от неровных поверхностей стен. Это уменьшает возможность возникновения ложной тревоги. Воздушные потоки также будут меньше влиять на линзы, которые размещены в довольно прочном корпусе. Воздушный поток вызывает ложную тревогу прежде всего через линзу. Быстрые изменения температуры, вызванные сквозняками, оказывают влияние на линзы с высоким коэффициентом теплового расширения. Из-за быстрого изменения размера участков линзы лучи также изменяются. Это приводит к тому, что датчик принимает изменение лучевых потоков за движение и срабатывает ложный сигнал.
О том, как правильно настроить датчик движения, смотрите в следующем видео.
Настройка датчика движения для освещения
Настройка датчика движения – это еще один немаловажный нюанс работы данного устройства. Практически каждый датчик, с помощью которого можно производить управление освещением, имеет дополнительные настройки, позволяющие добиваться корректной его работы.
Такие настройки имеют вид специальных потенциометров, предназначенных для регулировки – это установка задержки отключения «TIME», регулировка порога освещенности «LUX» и регулятор установки чувствительности к инфракрасному излучению «SENS».
1. Настройка по времени — «TIME»
С помощью установки «TIME» можно задать время, на протяжении которого освещение будет включенным с того момента, когда движение было обнаружено в последний раз. Установка значения может варьироваться от 1 до 600 секунд (в зависимости от модели).
Регулятором «TIME» можно выставить уставку по выдержке времени включенного датчика движения. Пределы, в которых находится уставка срабатывания, составляют от 5 секунд до 8 минут (480 секунд). Скорость движения человека в области чувствительности датчика играет здесь самую важную роль.
При относительно быстром прохождении человеком этого пространства (к примеру, коридора или лестничной клетки в подъезде) уставка «TIME» желательно уменьшить. И, наоборот, при нахождении в течение определенного времени в данном пространстве (к примеру, в кладовке, автопарковке, подсобном помещении) уставку «TIME» лучше увеличить.
2. Настройка срабатывания от уровня освещенности — «LUX»
Регулировка «LUX» используется для корректной работы датчика в дневное время. Датчик сработает при обнаружении движения при более низком уровне окружающей освещенности по сравнению с пороговым значением. Соответственно, срабатывание датчика не фиксируется при более высоком уровне освещенности по сравнению с установленным пороговым значением.

Рисунок на котором изображено как настроить датчик движения своими руками. Для настройки на обратной стороне датчика находятся три регулятора: регулятор чувствительности к срабатыванию, регулятор времени и регулятор освещенности. Поэкспериментируйте и все получится.
Регулятором «LUX» выставляется уставка срабатывания по уровню освещенности окружающей среды (от сумерек до солнечного освещения). Деление шкалы, на которую можно поставить уставку «LUX», при наличии в Вашем помещении большого количества окон и преобладании естественного освещения, должно быть минимальным или средним.
Поставить уставку «LUX» на наибольшее деление шкалы рекомендуется при наличии в Вашем помещении естественного света или при малом его количестве.
3. Настройка чувствительности к срабатыванию датчика — «SENS»
Регулировать чувствительность к срабатыванию, в зависимости от объема и дальности объекта, можно с помощью регулятора «SENS». Реакция датчика на движения напрямую зависит от уровня чувствительности. При очень большом количестве срабатываний датчика чувствительность желательно уменьшить, а настроить яркость освещения ИК, на которую должен реагировать датчик движения.
Увеличивать чувствительность следует при отсутствии реагирования на Вас датчика. При самопроизвольном включении освещения можете уменьшать чувствительность. Если настройка датчика производилась в зимнее время года, то вполне вероятна необходимость его перенастраивания в летний период, и, наоборот, при летней настройке нужно будет перенастраивать зимой.
И последнее, только максимально настроив контролируемую зону, можно получить гарантию того, что он будет Вас «видеть». Для этого отрегулируйте оптимальное положение наклона головы данного датчика. Здесь достаточной будет проверка реакции датчика на движение в какой-нибудь точке, находящейся вдалеке.
Похожие материалы на сайте:
Базовые параметры датчика движения
Помимо изменяемых параметров у каждого датчика движения существует базовый набор, строго заданный производителем, это:
- Ширина охвата.
- Дальность действия.
- Мощность применяемого светильника.
- Способ установки.
Рассмотрим их особенности более подробно.
Ширина охвата
Современные датчики на движение различаются по углу обзора в широких пределах – от прямого угла до полного круга. Чтобы знать, как правильно настроить его в конкретных условиях, следует прибегнуть к следующим рекомендациям производителя:
- Для общего охвата и расположения на столбе — 3600 по горизонтальной плоскости.
- С той же целью, но на стене — 1800.
- В бытовых условиях достаточно модели с углом по вертикали порядка 200.
- На объектах повышенного контроля и в целях охраны применяются детекторы с шириной охвата в вертикальной плоскости около 1800.

Дальнобойность
Характеристика прибора указывается в метрах и определяет, на каком расстоянии от сенсора должен располагаться движущийся объект для его инициации. Для помещения его значение минимально — от 2 до 5–6 м, для улицы — до нескольких десятков метров. При этом чем дальше зона покрытия, тем выше вероятность ложных срабатываний, так как требуется весьма чувствительный детектор.

Мощность светильника
Датчик движения, как любой электротехнический прибор, способен пропускать тон заданного номинала. Поэтому подключение к нему ограничивается по суммарной мощности. Например, если прибор рассчитан на 100 Вт, к нему можно подсоединить не более двух ламп по 50 Вт или четырех по 25 Вт и так далее.
Способ монтажа
По способу установки и месту применения датчики движения имеют следующие модификации:
- Корпусные. Выпускаются в стандартном виде и оснащаются специальным кронштейном для закрепления на стенке, столбе, потолочной поверхности или иной конструкции.
- Встраиваемые. Изготавливаются в миниатюрной форме с возможностью скрытного монтажа в незаметных местах.
Кроме того, некоторые модели детекторов идут в едином корпусе со светильником. Это весьма удобно в небольших помещениях или общественных местах, когда раздельная установка детектора и лампочки не целесообразна, трудозатратна или не безопасна.
Как отрегулировать и настроить устройство
Все настройки нужны для того, чтобы создать необходимый режим работы датчика в конкретных условиях эксплуатации. С их помощью можно так отрегулировать работу прибора, что он будет удовлетворять требования в экономии электроэнергии, и одновременно осуществлять функцию освещения нужной продолжительности.
Настройка осуществляется при помощи поворота регуляторов
Наиболее распространённый набор настроек состоит из 3 функций:
- «TIME». Настройка длительности времени освещения. Диапазон регулировки — от 5 с до 8 мин.
- «LUX». Этот регулятор позволяет запрограммировать прибор на работу в определённое время суток. Датчик начнёт работу при наступлении сумерек, и отключится с рассветом. На корпусе обычно обозначены два крайних состояния — солнце и месяц. Смещением в одну или другую сторону можно добиться нужного времени срабатывания. Если же установка датчика предполагается в коридоре или санузле, в которых нет естественного освещения, регулятор переводят в крайнее «раннее» положение.
- «SENS». С помощью данной функции можно изменить уровень чувствительности прибора к массе (объёму) объекта и расстояния до него. В основном датчики настроены так, что не будут реагировать на мелких домашних животных, например, собак и кошек. Но дополнительная регулировка никогда не повредит.
Приступая к самостоятельной установке датчика движения, необходимо помнить о безопасности. Все действия должны быть продуманными. Подвергать себя опасности поражения электрическим током не следует. Использовать нужно только рекомендованные производителем электрические проводники и соединительные материалы.
Трехпроводная схема подключения датчика движения
Датчики с тремя клеммами обычно используются при конструкции типа ИК-сенсор. Довольно распространенной компанией производителем недорогих инфракрасных датчиков движения является IEK. Без особых проблем можно найти хорошие изделия на Алиэкспресс.
Изделия подороже выполнены по аналогичному принципу, схема подключения светильника с датчиком аналогична для модели датчика от любого производителя. Устройства должны иметь степень защиты IP44 от проникновения твердых объектов более 1 мм и капель влаги. Если же датчик движение нужно вынести за пределы дома, то установка возможно только под козырек.
Если желаете защитить прибор от дождя и снега, ищите модель с пылевлагозащитой IP65 и с температурным режимом для вашего климата. Большинство ИК-сенсоров могут работать только до минус 20 градусов Цельсия.
Для подключения трехпроводного ИК-сенсора движения заводится полноценная фаза и ноль. Для правильной расстановки понадобятся все те же основные 4 элемента:
- Автоматический выключатель (что в распредщитке).
- Распредкоробка (в которой основной монтаж).
- Датчик (к нему подведен провод из распредкоробки).
- Светильник (второй провод из распредкоробки).
Соединение датчика тремя проводами будет проводится с заводом в распределительный короб трех кабелей:
- От автомата три жилы: L (фаза), N (рабочий нуль), нулевой защитный или земля (PE).
- На светильник три жилы, если корпус осветительного прибора из метала.
- Три жилы на датчик.
Как подключить датчик движения к лампочке с использованием трех жил, детально рассмотрено на схеме.
Нули (N) собираются в одну точку (как в случае с предыдущей схемой). Земля с автоматического выключателя тоже подключается к земле светильника (нулевой привод или PE). На датчик движения с тремя клеммами подается теперь фаза-ноль:
- Две вводных – для питания 220В, обычно подписаны как L (фаза) и N (ноль).
- Один вывод – обозначается литерой А.
Монтаж
Для установки трехжильного датчика движения:
Открутите два самореза в корпусе. Клеммы находятся под задней крышкой.
- Некоторые модели уже выводятся из корпуса тремя проводами разного цвета. По цвету можно определить, что он значит: земля (А) красный, ноль (N) синий, фаза (L) коричневый. Но если крышка открывается без особых потуг, рекомендуется убедится в правильности определенной маркировки лично, глядя на надписи рядом с клеммами.
- Упрощенная схема подключения датчика движения к лампочке выглядит таким вот образом:
- Немного наглядности вот на этом рисунке.
- Можно обойтись без распредкоробки для соединения проводов и все жилы завести прямо в короб датчика, если внутри достаточно просторно и есть собственный клеммник. Фазу-ноль с одного кабеля подали, а с другого фазу-ноль вывели.
- Выходит упрощенная, но такая же трехпроводная схема, только без распределительного короба.
Настройка и регулировка чувствительности
После успешного подключения светильника с датчиком движения нужно правильно выставить его параметры:
- На обратной стороне корпуса найдите основные регуляторы. LUX с позициями месяца и солнца отвечает за срабатывание в зависимости от освещенности. Нужно чтобы датчик включался в комнате с окном только когда будет пасмурно или зайдет солнце? Выкрутите регулятор в сторону луны.
- Вторым регулятором выставляйте время выключения. Задержку можно выставить с нескольких секунд до 5-10 минут.
- Угол поворота всей сферы позволяет регулировать детектирование животных.
Преимущества и нюансы использования
Чтобы на животных не реагировал датчик, не поворачивайте головку сенсора вниз к полу. Выставите его так, чтобы он захватывал движения на уровне головы (плеч) всех жителей дома. Обычно на этом уровне захват животных не происходит.
Если же нужно, чтобы датчик временно не срабатывал, то головку его направьте в потолок. Таким образом захват перемещения невозможен. Захват движения датчиком зависит от угла наклона. В реалиях максимальное расстояние достигает 9 метров. Но по паспорту может быть выше.
Датчик для детектирования применяет ИК-лучи. Если двигаться от луча к лучу, то устройство замечает активность и реагирует. Когда проходишь прямо на луч, чувствительность сенсора минимальна и прибор может не сразу на вас среагировать.
По этой причине установка датчиков движения проводится не прямо над дверным проемом, а немного сбоку. Например, в углу комнаты.
Недостатки
Минусом трехпроводной схемы подключения датчика движения к лампе является отсутствие включения света принудительно. Если датчик по каким-либо причинам придет в неисправность, начнутся проблемы с корректной его работой. Чтобы этого избежать, рекомендуется в схему добавить выключатель.
Неполадки в работе или ошибки подключения
Использование датчиков движения для освещения может быть сопряжено со следующими неполадками, вызванными неисправностью оборудования или ошибками в ходе подключения:
- неправильным подводом фазы и нуля – с точки зрения обеспечения безопасности, устройство подключается с разрывом фазного провода, по аналогии с выключателем;
- ложным срабатыванием – если сенсоры расположены неправильно или на них воздействуют непредвиденные факторы в виде теплового излучения, веток деревьев и пр.;
- безосновательным включением сразу после отключения – при направлении на прибор светильника или другого источника света;
- неправильным использованием – при установке настенного прибора на потолок или применении комнатного устройства на открытом воздухе;
- влиянием бликов и воздушных потоков – сквозняк или отражение солнечных лучей может вызвать самопроизвольное срабатывание элемента;
- повреждением или загрязнением чувствительного элемента – в результате снижается чувствительность устройства.
Чтобы избежать неполадок, установкой прибора должен заниматься квалифицированный электрик. Прибор следует проверить перед приобретением, чтобы исключить наличие видимых дефектов. Подключение должно осуществляться строго по схеме.
Использование датчиков автоматического управления освещением позволяет вывести степень домашнего комфорта на новый уровень. Но необходимо правильно подобрать и установить прибор, чтобы исключить возможные неполадки.
Неверно выбрано место установки
Для правильной установки прибора необходимо учитывать принцип его работы: ИК датчик отлично реагирует на движения «мимо», но может не сработать при движении на него, а ультразвуковые и микроволновые воспринимают движение «на себя».
Если между прибором и зоной действия находится какой-либо предмет, это также становится причиной осечек: необходимо убрать препятствия перед излучателем. Иногда электроприборы дают ложные срабатывания, когда находятся на близком расстоянии от светильника. Если замечена такая проблема, необходимо разместить лампу немного дальше.
Технологии отслеживания движений
Перегорание лампы
Если устройство абсолютно не реагирует на попадание объекта в зону, причиной чаще всего оказывается обычное перегорание лампы. Перед установкой следует проверить лампочку в другом светильнике.
Неисправности проводки
Когда все возможные причины неполадок проверены, но датчик все равно не запускается, нужно прозвонить мультиметром все участки цепи. Если проблема в проводке, требуется обесточить систему и заново подключить устройство.
НШВИ наконечники
Брак и неправильные условия эксплуатации
Случается, что причина неполадок кроется в самом устройстве: заводской брак либо повреждение во время транспортировки (характерно для дешевых устройств с низкой степенью защиты). Если датчик не обладает хорошей защитой от влаги, но его разместили на открытом для воды месте (на улице защитного козырька, в ванной), то внутрь могла попасть вода, из-за чего электроприбор выйдет из строя.
Упаковка датчика движения
Не нужно быть мастером, чтобы понять, как правильно подключить датчик движения для автоматического включения света: достаточно следовать простым инструкциям по эксплуатации и настройке прибора. Датчик движения может сэкономить до 50% электроэнергии, что вкупе с удобством применения многократно окупит стоимость устройства.
Тестирование и настройка датчика движения
Каждое устройство имеет минимум два регулятора. Тестирование и настройка совершается по двум главным параметрам — длительности свечения (TIME) и чувствительности срабатывания (LUX). Первый показатель означает промежуток времени, на который датчик оставляет включенной лампу. С каждым распознаваемым движением отсчет времени длительности свечения начинается сначала. Он может настраиваться пользователем на промежуток от 10 с до 4 мин.
Чувствительность срабатывания устройства также настраиваемая величина. С помощью нее можно откорректировать, при каком уровне естественного освещения будет включаться свет. Таким образом, можно настроить включение лампы в течение и дня, и ночи или только лишь в ночное время суток.
Запуская датчик движения в работу, проводят его обязательное тестирование. Для этого устанавливают регулятор уровня освещенности в положение, отвечающее дневному освещению. Регулятор управления временем настраивают на минимум. После подключения к электропитанию необходимо подождать около 30 секунд — датчик сработает и включит освещение также на 30 секунд.
Далее следует направить чувствительную область датчика на зону, которая должна находиться под наблюдением, проверить чувствительность и радиус действия. Испытать, соответствует ли промежуток времени срабатывания и работы лампы с установленными параметрами. Проверяют также работу устройства в ночное время и окончательно устанавливают комфортные для себя параметры.
Более сложные по конструкции устройства, которые применяют в охранных целях, имеют в своей конструкции еще регулятор дальности действия (SENS). С помощью него происходит настройка зоны чувствительности. Датчики также оснащают встроенным микрофоном с регулятором уровня шумов (MIC), при котором устройство должно сработать.
Два последних регулятора редко используют для недорогих датчиков, так как их функциональность в бытовых условиях редко бывает востребована.

























































