Критерии выбора системы обогрева
Вариантов выбора всего два — закрытая или открытая система отопления дома. Задумывался ли кто, почему первые созданные системы были только открытыми? А открытыми они были по одной простой причине – котлы, нагревающие воду, были твердотопливными. При прекращении циркуляции вода в котле закипает, взрыв котла предотвращает предохранительный клапан, но погасить его быстро невозможно. Поэтому закрытые системы отопления с принудительной циркуляцией стали применять для электрических и газовых котлов, которые можно выключить автоматически в любой нужный момент.
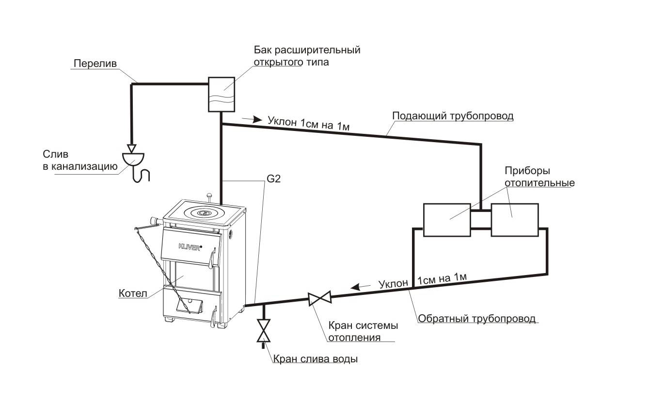
Открытая система отопления
Открытая система отопления в настоящее время считается устаревшей и применяется в небольших частных домах и загородных дачах. При этом нужна установка расширительного бака в открытой системе отопления в самой высшей точке разгонного коллектора, для обеспечения циркуляции под действием гравитации.
Современная открытая схема системы отопления с закрытой системы позаимствовала важнейший агрегат – циркуляционный насос. Он обычно используется при пуске системы для уменьшения ее инерционности. Затем в процессе работы насос выключается и открывается байпас. Знать, куда ставить насос в системе отопления, необходимо для его надежной и длительной работы. Насос ставится в точке с наименьшей температурой теплоносителя, обычно в «обратке» около котла.
Система называется «открытой» потому, что атмосферный воздух постоянно контактирует с водой в открытом расширительном баке.
Открытая система проста, надежна, а ее стоимость минимальна. Существует ошибочное мнение, что ее монтаж обходится дороже, потому что для подобных систем требуются трубы большего диаметра. Если учесть для закрытой системы отопления стоимость циркуляционного насоса, расширительного мембранного бак и затраты на электроэнергию, то монтаж обойдется явно не дешевле. В некоторых случаях альтернативы применению открытой системы отопления не существует. Например, при отсутствии электроснабжения.
Основные преимущества отрытых систем обогрева:
- чрезвычайная простота при монтаже и обслуживании;
- бесшумность работы;
- энергонезависимость;
- надежность работы с котлами любых типов;
- относительно низкие затраты на приобретение оборудования, труб и арматуры.
Конечно, простая и надежная открытая система отопления схема ее обычно двухтрубная, не лишена недостатков:
- испарение жидкости в расширительном баке делает невозможным применение антифриза, за уровнем воды в баке необходимо следить;
- большая инерционность системы, для устранения этого недостатка устанавливают циркуляционный насос и байпас;
- для сложных контуров многоэтажных домов с теплыми полами система не подходит из-за большого гидравлического сопротивления подобных систем обогрева.
Закрытая система отопления
Если выбрана система отопления закрытого типа схема которой может быть любой – однотрубной или двухтрубной, с теплыми полами или без, то ее основной признак – отсутствие контакта теплоносителя с воздухом, т. е. она полностью герметична. Движение теплоносителя в контуре обеспечивает циркуляционный насос. а тепловое расширение жидкости компенсируется в герметичном мембранном расширительном баке. Применение принудительной циркуляции облегчает монтаж, ведь не нужно строго выдерживать уклон труб, которые могут быть меньшего диаметра. Наличие насоса делает систему энергозависимой.
С увеличением этажности частных домов и сложности контуров отопления применяется в основном система отопления закрытого типа, в составе которой может быть несколько циркуляционных насосов, коллекторная лучевая разводка и автоматизированное электронное управление температурой разных помещений. В закрытом контуре схема установки расширительного бака в системе отопления отличается от его размещения в открытой системе. Самый оптимальный вариант, размещение мембранного бака в «обратке» вблизи котла.
Популярная закрытая система отопления имеет как преимущества, так и некоторые недостатки:
- в закрытой системе полностью отсутствует испарение, следовательно, можно применить антифриз в качестве теплоносителя;
- относительно меньшие расходы на трубы контура, трубы можно скрыть под полом или отделкой;
- упрощается монтаж, не нужно тщательно вымерять углы наклона трубопровода;
- небольшая инерционность системы и высокая теплоотдача;
- незначительное количество кислорода в теплоносителе уменьшает коррозию стальных труб.
Из чего состоит отопительная система?
Система отопления с принудительной циркуляцией состоит из:
- котла (твердотопливного, газового или электрического);
- расширительного бака мембранного типа;
- циркуляционного насоса. мощность которого подбирается индивидуально;
- радиаторов (батарей) отопления;
- труб;
- фитингов – переходников, используемых для соединения труб;
- кранов (шаровых и пробковых);
- обратных клапанов;
- воздухоотводов;
- фильтров, которые обеспечивают работоспособность отопительного котла и насоса;
- крепежных элементов.

При выборе необходимого для функционирования системы оборудования следует обязательно учитывать:
- мощность приобретаемого котла и радиаторов;
- размер трубопровода;
- скорость перемещения теплоносителя.
Системы с искусственным побуждением движения теплоносителя
Схемы открытой системы отопления с насосом в любом случае подразумевают использование соответствующего прибора. Это позволяет увеличить скорость перемещения жидкости и сократить время на обогрев дома. Поток теплоносителя в этом случае движется со скоростью около 0,7 м/с, поэтому теплоотдача становится более эффективной и все участки системы теплоснабжения прогреваются одинаково.
В процессе монтажа системы отопления открытого типа с насосом следует учитывать несколько особенностей:
- Наличие встроенного циркуляционного насоса требует подключения к системе электропитания. Для бесперебойной работы при аварийном отключении электричества насос рекомендуется устанавливать на байпас.
- Насосное оборудование должно стоять на обратной трубе перед входом в котел, на расстоянии до 1,5 метров от него.
- Насос врезается в трубопровод с учетом направления движения теплоносителя.

Принцип работы системы закрытого типа
Температурные расширения в закрытой системе компенсируются путем применение мембранного расширительного бака, наполняемого водой во время нагрева. При охлаждении, вода из бака снова уходит в систему, поддерживая тем самым постоянное давление в контуре.
Давление, создаваемое в закрытом отопительном контуре еще при монтаже, передается всей системе. Циркуляция теплоносителя осуществляется принудительно, поэтому эта система энергозависима. Без циркуляционного насоса не будет движения нагретой воды по трубам к приборам и обратно к генератору тепла.
Основные элементы закрытого контура:
- котел;
- клапан воздуховыпускной;
- клапан термостатический;
- радиаторы;
- трубы;
- расширительный бак, не контактирующий с атмосферой;
- клапан балансировочный;
- шаровой вентиль;
- насос, фильтр;
- предохранительный клапан;
- манометр;
- фитинги, крепеж.
Если электроснабжение дома осуществляется бесперебойно, то закрытая система работает эффективно. Часто конструкцию дополняют «теплые полы», повышающие ее экономичность и теплоотдачу.

Такое расположение позволяет не придерживаться определенного диаметра трубопровода, снизить затраты на приобретение материалов и не располагать трубопровод под уклоном, что упрощает монтаж. К насосу должна поступать жидкость с низкой температурой, иначе его эксплуатация невозможна.
Отопительный контур закрытого вида включает часть деталей, которые используют и в других типах систем
У этого варианта есть и один негативный нюанс — тогда как при постоянном уклоне отопление работает и при отсутствии электропитания, то при строго горизонтальном положении трубопровода закрытая система не работает. Компенсирует этот недостаток высокий КПД и ряд положительных моментов по сравнению с другими видами систем отопления.
Монтаж осуществляется относительно просто и возможен в помещении любой площади. Утеплять трубопровод не нужно, прогрев происходит очень быстро, если в контуре присутствует термостат, то температурный режим можно задавать. Если система устроена правильно, то потерь теплоносителя, следовательно и причин для его пополнения не бывает.
Несомненным плюсом системы отопления закрытого типа является то, что разность температур на подаче и обратке позволяет повысить эксплуатационный срок котла. Трубопровод в закрытом контуре менее подвержен коррозии. Есть возможность закачать в контур антифриз вместо воды, когда отопление приходится отключать зимой на длительное время.
Наиболее часто применяемые системы закрытого вида — водяные, хотя функцию теплоносителя могут выполнять и незамерзающие жидкости, пар, газы, обладающие необходимыми характеристиками
Включение в систему распределительного коллектора
Популярным в последнее время способом организации водяного отопления является так называемая “лучевая схема” с применением распределительного коллектора.
Такой метод разводки надежно работает только при хорошем давлении воды в системе, поэтому его не используют при естественной циркуляции.

Лучевая разводка предполагает подключение каждого отопительного прибора (или небольшой их группы) непосредственно к распределительному коллектору, раздающему горячую и собирающему охлажденную воду
Попутная схема или «петля Тихельмана»

Попутная схема разводки отопления.
Попутная схема является вариацией классической схемы с тем отличием, что направление движения теплоносителя в подаче и обратке совпадает. Такая схема применяется в системах отопления с длинными и удаленными ветками. Использование попутной схемы позволяет уменьшить гидравлическое сопротивление ветки и равномерно распределить теплоноситель по всем радиаторам.
Веерная (лучевая)
Веерная или лучевая схема используется в многоэтажном строительстве для поквартирного отопления с возможностью установки на каждую квартиру прибора учета тепла (теплосчетчика) и в частном домостроении в системах с поэтажной разводкой трубопроводов. При веерной схеме в многоэтажном доме на каждом этаже устанавливается коллектор с выходами на все квартиры отдельного трубопровода и установленным теплосчетчиком. Это позволяет каждому владельцу квартиры учитывать и оплачивать только им потребленное тепло.

Веерная или лучевая система отопления.
В частном доме веерная схема используется для поэтажного распределения трубопроводов и для лучевого подключения каждого радиатора к общему коллектору, т. е. к каждому радиатору походит отдельная труба подачи и обратки от коллектора. Такой способ подключения позволяет максимально равномерно рассредоточить теплоноситель по радиаторам и уменьшить гидравлические потери всех элементов системы отопления.
Правила использование теплого пола
Комфортный и очень популярный способ обогрева жилых помещений – обустройство теплого пола. Если отапливаемая площадь небольшая, то можно обойтись одной трубой, помещенной в стяжку пола.

Подключение теплого пола к системе отопления через распределительный коллектор является единственно возможным вариантом для обогрева больших площадей таким способом
Для больших площадей использование единственной трубы невозможно по следующим причинам:
- количество подаваемого тепла не хватит для обогрева всего помещения, кроме того этот обогрев будет неравномерным;
- при большой длине возникает сильное гидродинамическое сопротивление потока жидкости, что ведет к чрезмерным затратам электроэнергии на создание давления и увеличивает риск прорыва воды в местах соединений.
Поэтому, при значительной площади теплого пола, использование нескольких труб является не пожеланием, а необходимостью.
В этом случае подключение осуществляется через распределительный коллектор.
По коллекторному принципу устроены системы водяных “теплых полов”, аналогично подключаемых к распределительной гребенке.
Коллекторные гребенки теплых полов отличаются меньшим количеством гнезд в сравнении с радиаторными лучевыми системами. Нужен более мощный насос.
Разводку систем напольного обогрева производят медными и металлопластиковыми трубами, используя неразъемные соединения.
После устройства и опрессовки теплого пола выполняется заливка стяжки, которая защищает трубы от повреждений и играет роль теплопроводящего элемента.
Регулировка температуры через смеситель отличается надежностью, что очень важно, так как превышение температуры может вызвать существенную деформацию покрытия пола: линолеума, ламината или паркета
Эффективные нагревательные системы
Эффективность обогрева помещения во многом зависит от правильности предварительных расчетов. Если вы являетесь новичком в данном вопросе или вообще далеки от этой сферы, то, конечно, лучше отдать бразды правления в руки специалистов и поручить расчет отопительной системы им. Для тех же, кто уверен в своих силах, приведем небольшой план расчета.
Итак, чтобы спроектировать схему отопления, вам придется пройти несколько этапов:
Первый этап подразумевает расчет нагревательной мощности, значительно упростить этот этап смогут специально разработанные программы для проведения расчетов по заданным параметрам.
На втором этапе вам предстоит рассчитать, сколько тепловой энергии потребуется для обогрева помещения необходимой вам площади.
Третий этап заключается в вычислении мощности, которая должна быть в обогревательных радиаторах.
Завершается расчет четвертым этапом, на котором осуществляется гидравлический расчет, позволяющий уточнить, какой мощностью должен обладать ваш обогревательный насос и насос, отвечающий за принудительную циркуляцию теплоносителя (если в последнем есть острая необходимость).
Закрытая система отопления
В закрытой системе отопления все элементы системы герметичны, отсутствует испарение воды. Циркуляция осуществляется при помощи насоса. Так называемая система с принудительной циркуляцией теплоносителя включает в себя трубы, котёл, радиаторы, расширительный бак, циркуляционный насос .
В закрытой системе отопления при повышении температуры клапан расширительного бака открывается и забирает излишки теплоносителя. При понижении температуры теплоносителя циркуляционный насос закачивает его обратно в систему. В данной системе отопления поддерживается давление в заранее установленных пределах. Благодаря этому, осуществляется функция деаэрации теплоносителя.
Для стабильной работы системы закрытого отопления также используется расширительный бак из высокопрочного металла. Это закрытый бак, состоящий из двух половин, завальцованных друг к другу.
Внутри располагается мембрана (диафрагма) из высокопрочной жаростойкой резины. Также внутри имеется небольшой объём газа (может быть азот, который закачивается на заводе-производителе, или воздух, накапливающийся в системе по необходимости). Мембрана разделяет бак на части: одна часть — куда поступают излишки воды при нагреве системы отопления, в другой части находится азот или воздух, не вступающие в прямое соприкосновение с водой. Таким образом, теплоноситель при нагреве поступает в расширительный бак и проникает в мембрану. При остывании теплоносителя газ, находящийся за мембраной, начинает выталкивать его обратно в систему.
Комплектация открытой системы отопления
Минимальная комплектация отопления
Помимо насоса в открытой системе отопления следует подобрать и другие компоненты. От правильности выбора будет зависеть работоспособность и эффективность всей схемы теплоснабжения.
Для правильного расчета открытой системы отопления в первую очередь вычисляется ее номинальная мощность. Если теплоизоляция здания хорошая – можно взять соотношение, что на 10 м² площади потребуется 1 кВт тепловой энергии. Для более точного расчета рекомендуется воспользоваться специальными программами. С их помощью можно составить корректную схему открытого теплоснабжения, вычислить оптимальные характеристики ее компонентов.
Для минимальной комплектации отопительной системы понадобятся такие элементы:
- Котел;
- Расширительный бак;
- Трубопроводы;
- Радиаторы и батареи.
Требования к последним двум невысокие. Чаще всего для обустройства теплоснабжения применяют полимерные трубы. Но специалисты рекомендуют для разгонного стояка использовать стальную трубу. Это объясняется высокой температурой в этой части системы отопления открытого типа для частного дома.
Выбор котла для открытого отопления
Виды котлов для открытого отопления
В первую очередь необходимо предупредить, что установка газовых и электрокотлов для открытой системы отопления запрещена. Нередко в системе образуются воздушные пробки, которые негативно повлияют на работу оборудования и могут привести к аварийным ситуациям. Поэтому единственной альтернативой остаются твердотопливные модели или котлы, работающие на дизельном топливе.
Установка котла должна выполняться согласно всем требованиям. Он располагается в отдельном помещении, где нельзя хранить топливо. Котельная должна иметь принудительную циркуляцию воздуха. Для оптимизации работы оборудования рекомендуется установка сэндвич-дымоходов.
Помимо этих факторов существуют специфические требования для нормальной адаптации котла открытой системы теплоснабжения:
- Нельзя устанавливать котлы длительного горения. Они рассчитаны для низкотемпературного режима работы системы. В таком случае расширение теплоносителя будет недостаточно для циркуляции;
- Если в системе не установлена насосная группа – необходим отдельный монтаж обратного клапана;
- Котел в системе теплоснабжения открытого типа для частного дома должен располагаться в самой низкой точке схемы.
Если в комплектацию оборудования не входит температурный датчик – его следует установить отдельно. Для точности измерения он монтируется на подающей трубе непосредственно после котла.
Модели расширительных баков для открытой системы
Схема установки и конструкция расширительного бака
Для компенсации теплового расширения теплоносителя и своевременного контроля его уровня необходим монтаж расширительного бака для открытого отопления. Он располагается в самой высокой точке системы и может выполнять сразу несколько функций.
Сначала выполняется расчет оптимального объема расширительного бака открытого типа для систем отопления. Он должен составлять как минимум 5% от количества теплоносителя в системе. В стандартной конструкции есть 3 патрубка, которые выполняют следующие функции:
- Входящий патрубок. С его помощью происходит подключение расширительного бака к открытой системе отопления. Обычно его диаметр на 1 размер меньше, чем у разгонного стояка, к которому выполняется монтаж. Поэтому необходим переходник;
- Труба циркуляции. Через нее горячая вода поступает дальше по магистрали;
- Сигнальный патрубок. Необходим для оповещения о критическом снижении уровня теплоносителя. При открытии крана из него не идет вода – следует дополнить систему.
Способы установки расширительного бака
Дополнительно можно модернизировать расширительный бак для открытого теплоснабжения. В некоторых случаях он может выполнять функцию узла подпитки. Для этого необходим дополнительный патрубок, который подключается к водопроводу. При критическом снижении объема горячей воды можно оперативно дополнить систему, открыв запорную арматуру.
Существует несколько схем монтажа расширительного бака. Для теплоснабжения открытого типа с насосом он может монтироваться на дальнем стояке. Такой вариант применяется редко, так как эффективность подобной схемы крайне низка. Чаще всего расширительный бак устанавливается на ближнем стояке для своевременного контроля состояния отопления.
Самостоятельная организация системы отопления
Обустройство котельной
Хороший и качественный вариант отопления можно сделать своими руками, если учесть затраты на проектирование, закупку оборудования и сложность организации. Оптимальным вариантом для частного дома будет закрытый тип коммуникаций с циркуляционным насосом и резервуаров. Его создание осуществляется так:
- Расчеты коммуникаций. Заказываются в проектной компании или производятся с помощью онлайн-калькулятора.
- Согласование проекта, получение разрешения и техусловий.
- Покупка оборудования. Понадобятся отопительный котел, насос, трубы, расширительный бачок, радиаторы (контуры, если планируется теплый пол), воздухоотводники, запорные устройства, автоматические контроллеры.
- Монтаж котла и оснащение котельной. В помещении организуется качественная вентиляция, обустраивается дымоход. Стены, поверхность пола и потолка обшиваются огнестойкими материалами.
- Монтаж циркуляционного насоса, распредколлектора и приборов замера.
- Подводка трубопровода на точки расположения батарей.
- Монтаж радиаторов.
- Опрессовка системы. Первый запуск проводится в присутствии специалистов.
Между открытой и закрытой коммуникациями подачи тепла существует несколько отличий. Подбирать систему отопления стоит в зависимости от условия и места монтажа. Открытую магистраль легко организовать самостоятельно. Создавать закрытую систему должны специалисты.
Можно ли сделать монтаж самому
Можно открытую систему сделать своими руками. Монтируется котел, к которому подводится газ и создается дымоход.
На обратку монтируется расширительный бак открытого типа. Он устанавливается выше отопительной конструкции.
При монтаже конструкции учитываются следующие требования:
- Отопительный котел монтируется в нижней точке схемы, а бак наверху. Мощность устройства определяется конструкцией.
- При выходе из отопительного котла монтируется труба с большим сечением. С краю магистрали подачи устанавливается труба с меньшим сечением. Это необходимо для обеспечения разницы давлений.
- Сечение горизонтальных магистралей равняется отверстию стояка.
- Трубы укладываются под наклоном.
- Для нагнетания давления стояк устанавливается высоко.
- Открытая система содержит минимальное количество поворотных механизмов.
Отличие от закрытой
В своем принципе работы открытая конструкция очень схожа с закрытой, однако закрытая система основана на принудительной циркуляции, из-за чего радиаторы и трубы нагреваются быстрее.
Схема закрытой системы отопления.
Плюсы и неожиданные минусы альтернативы
В сравнении с открытой системой, механизм закрытого типа, оснащенный циркулярным насосом, имеет следующие преимущества:
- ниже затраты на трубы и минимизирован риск замерзания из-за монтажа в помещении;
- бак герметичен и теплоноситель не испаряется, потому можно использовать как воду, так и антифриз;
- антифриз в качестве теплоносителя дает возможность разморозить систему, вернуть ее в работу, чего не произойдет в случае с водой.
Кроме того, механизм с циркулярным насосом позволяет подключать «теплые полы» и регулировать температуру в помещении. Однако закрытая система проигрывает открытому механизму в своей зависимости от электроснабжения. Поэтому последние по-прежнему популярны.
Врезка насоса в отопительный контур
Циркуляционный насос рекомендуется устанавливать на обратной трубе, в этом случае через прибор будет проходить уже остывшая жидкость. Однако при использовании более современных моделей, которые выполнены из термостойких материалов, не исключена врезка на подающую магистраль. В любом случае устанавливаемое оборудование не должно нарушать циркуляцию теплоносителя.
Существует несколько вариантов изменения гравитационной схемы в принудительный вариант:
- Установка расширительного бачка на более высоком уровне. Этот вариант можно назвать самым простым, однако для этого потребуется высокое чердачное помещение.
- Расширительный бак переносят на дальний стояк. Если использовать этот способ для реконструкции старой системы, то потребуется много сил и времени. Если по этой схеме обустраивать новую систему, то она не оправдает себя.
- Размещение стояка расширительного бака в непосредственной близости к колену, на котором расположен насос. В этом случае трубу с резервуаром вырезают с подающей магистрали и врезают ее на обратной трубе за насосом.
- Врезка насоса в подающую магистраль. Этот способ считается самым оптимальным вариантом реконструкции отопительного контура. Однако следует помнить, что не каждый прибор может выдержать высокую температуру.
Как же действует открытая система отопления?
Чтобы запустить систему, нет необходимости устанавливать насос. Теплоносители постоянно находятся в замкнутой системе, поэтому нет никаких потерь. Монтаж системы отопления настолько прост, что не требует специальных навыков.
Система отопления открытого типа
Каковы же главные части системы?
- Газовый или твердотопливный котел. Потребитель для себя может выбрать оптимальный вариант, отвечающий желаемым требованиям;
- Радиаторы отопления. Можно сделать свой выбор как в пользу чугунного, так и стального;
- Расширительный бачок из стали;
- Трубы.
Как же работает система отопления открытого типа?
Первым делом идет подогрев воды в котле. Затем горячая вода под напором поступает в трубы и достигает зоны низкого давления. После того, как горячая вода совершит полный водоворот и отдаст тепло, она возвращается в начальную точку – котел. В связи с тем, что под действием высоких температур вода расширяется, необходим в системе расширительный бак. Он выполняет роль компенсатора лишнего объема воды. Бак является предметом, который запаян не герметично. Для облегчения запуска системы отопления необходимо установить врезной кран. С его помощью из системы удаляется воздух. Принцип работы открытой системы отопления делят на два этапа:
- «Подача». Вода нагревается, поступает по трубам в радиаторы и обогревает помещение;
- «Обработка». Остывшая вода из радиаторов по трубам возвращается в котел.
Особенности обустройства открытой системы отопления:
Обязательно располагайте расширительный бак выше уровня остальных приборов системы отопления;
В качестве теплоносителя выберите воду, а не антифриз;
Поскольку вода при нагревании способна испаряться, важно контролировать ее уровень в котле и вовремя пополнять запасы.
Открытая и закрытая система теплоснабжения, разница в работе и конструкции.
Основываясь на вышесказанное, закрытая и открытая системы отличаются:
- Стоимость открытого теплоснабжения ниже, особенности при самотёчной циркуляции, в отсутствие насоса и запорной арматуры. Но при этом её монтаж в частном доме затронет весь объём помещений, от подвала до чердака. К тому же необходимо соблюдение уклонов магистрали и диаметров труб.
- Монтаж закрытой схемы, помимо прокладки трубопровода, предполагает установку большого количества дополнительных элементов.
- КПД закрытой схемы будет выше в любом случае.
- В закрытой схеме возможно применение не замерзающего теплоносителя — антифриза (оптимальный вариант для частных домов, не отапливаемых зимой)
- В открытой системе необходим постоянный контроль уровня теплоносителя, из за его испарения в окружающую среду.
- Закрытый тип энергозависим, за счёт постоянной работы циркуляционного насоса (проблема решается установкой автономного электрогенератора, но в то же время стоит учитывать затраты при его отсутствии)
- Установка открытого вида теплоснабжения ограничена общей площадью помещений, в отличие от закрытого.
- Срок службы закрытой системы более продолжителен за счёт почти полного отсутствия воздействия коррозии.
Циркуляционный насос
Циркуляционный насос обеспечивает работоспособность закрытой системы отопления. Его мощность зависит от многих факторов: материала и диаметра труб, количества и типа радиаторов, наличия запорной и терморегулирующей арматуры, протяженности труб, режима работы оборудования и т.д. Чтобы не вдаваться в тонкости расчета мощности, циркуляционный насос можно выбрать по таблице. Выбираете ближайшее большее значение по отапливаемой площади или планируемой тепловой мощности системы, в соответствующей строке в первых колонках находите требуемые характеристики.

Можно параметры циркуляционного насоса выбрать по таблице
Во второй колонке находим мощность (какой объем теплоносителя он способен прокачать за час), в третьей — напор (сопротивление системы), который он в состоянии преодолеть.
Выбирая циркуляционный насос в магазине, желательно не экономить. От его работоспособности зависит вся система. Потому, лучше не экономить и выбрать проверенного производителя. Если же решите покупать неизвестное оборудование, надо каким-то образом проверить его на уровень шумов. Этот показатель особенно критичен если отопительный узел устанавливается в жилом помещении.
Схема обвязки
Как уже говорили раньше, циркуляционные насосы ставятся в основном на обратном трубопроводе. Раньше это требование было обязательным, сегодня — это только пожелание. Материалы, которые используются при производстве выдерживают нагрев до 90°C, но все же лучше не рисковать.
В системах, которые могут работать и с естественной циркуляцией, при установке необходимо предусмотреть возможность снять или заменить насос без необходимости слива теплоносителя, а также для возможности работы без насоса. Для этого устанавливается байпас — обходной путь, по которому может протекать теплоноситель при необходимости. Схема установки циркуляционного насоса в таком случае на фото ниже.

Установка циркуляционного насоса с байпасом
В закрытых системах с принудительной циркуляцией байпас не нужен — без насоса она неработоспособна. Но вот два шаровых крана с обоих сторон и фильтр на входе нужны. Шаровые краны дают возможность, при необходимости, снять устройство для техобслуживания, ремонта или замены. Фильтр-грязевик предотвращает засорение. Иногда, как дополнительный элемент надежности, между фильтром и шаровым краном ставят еще обратный клапан, который предотвратит движение теплоносителя в обратном направлении.

Схема подключения (обвязки) циркуляционного насоса в систему отопления закрытого типа
Из чего состоит система и как она работает
Чтобы тепло поступало от котельной к приборам отопления, в водяной системе используется посредник – жидкость. Теплоноситель такого типа перемещается по трубопроводу и нагревает помещения в доме, причем все они могут иметь разную площадь. Этот фактор делает популярной подобную систему отопления.
Движение теплоносителя может осуществляться естественным путем, в основе циркуляции лежат принципы термодинамики. Благодаря разной плотности холодной и нагретой воды и уклону трубопровода вода движется по системе.
Одним из важных элементов системы отопления является открытый расширительный бачок, сюда поступает лишняя нагретая жидкость. Именно этот элемент стабилизирует давление теплоносителя. Главное условие – бак следует располагать в самой верхней точке отопительной системы.
Открытое теплоснабжение функционирует по следующей схеме:
- В котле нагревается вода и подается к приборам отопления в каждое помещение дома.
- На обратном пути лишняя жидкость уходит в расширительный бак открытого типа, ее температура понижается, и вода обратно возвращается в котел.

Системы отопления однотрубного типа подразумевает использование одной магистрали для подачи и обратки. Двухтрубные системы имеют независимую подающую и обратную трубу. При решении самостоятельно монтировать зависимую систему отопления лучше выбрать однотрубную схему, она более проста, доступна и имеет элементарную конструкцию.
Однотрубное теплоснабжение состоит из следующих элементов:
- Котел отопления.
- Батареи или радиаторы.
- Расширительный бачок.
- Трубы.
Упрощенная схема подразумевает использование вместо радиаторов трубы сечением 80-100 мм, но следует учитывать, что такая система менее эффективна в эксплуатации.
Принцип открытой системы отопления
Бак необходим, так как при нагревании вода увеличивается в объеме. Подобная емкость характеризуется негерметичностью, из – за чего схема получила название открытой.
В данной трубопроводной сети возможен естественный способ циркуляции. При этом не применяется насосное оборудование. Трубопровод монтируется с небольшим количеством поворотов и фитингов. На выходе устанавливается труба с крупным диаметром.
Схема монтажа предполагает прокладку магистралей с уклоном от высокого места конструкции к батареям и по направлению к котлу.
Конструкция разделяется на две составляющие. Тепловой ресурс прогревается, повышается давление, и теплоноситель перемещается к отопительным агрегатам. Во второй части давление уменьшается и охлажденная жидкость перемещается по контуру в противоположную сторону.
Данный тип системы отопления требует периодического пополнения водой. Так как уменьшение теплоносителя вызывает образование воздушных пробок. Проверять уровень жидкости требуется несколько раз за сезон.
Как заполнить систему отопления закрытого типа
В самой нижней точке системы, как правило, на обратном трубопроводе, для запитки/слива системы устанавливают дополнительный кран. В простейшем случае это тройник, установленный в трубопроводе, к которому через небольшой участок трубы присоединен шаровый кран.

Простейший узел для слива или залива теплоносителя в систему
В этом случае при сливе системы надо будет подставлять какую-либо емкость или подключать шланг. При заливе теплоносителя к шаровому крану подключается шланг ручного насоса. Это незамысловатое устройство можно взять на прокат в магазинах сантехники.
Есть второй вариант — когда теплоноситель это просто водопроводная вода. В этом случае водопровод подключается или к специальному входу котла (в настенных газовых котлах), или к аналогично установленному на обратке шаровому крану. Но в этом случае для слива системы необходима другая точка. В двухтрубной системе это может быть один из последних в ветке радиаторов, к нижнему свободному входу которого устанавливают шаровый кран слива. Другой вариант представлен на следующей схеме. Тут изображена однотрубная система отопления закрытого типа.

Схема закрытой однотрубной системы отопления с узлом запитки системы

























































